授权公布号:CN219121094U
一种石墨炉电磁加热装置
有效
申请
2022-11-02
申请公布
1970-01-01
授权
2023-06-02
预估到期
2032-11-02
| 申请号 | CN202222909865.2 |
| 申请日 | 2022-11-02 |
| 授权公布号 | CN219121094U |
| 授权公告日 | 2023-06-02 |
| 分类号 | F27D11/06 |
| 分类 | 炉;窑;烘烤炉;蒸馏炉〔4〕; |
| 申请人名称 | 湖北兴发化工集团股份有限公司 |
| 申请人地址 | 湖北省宜昌市兴山县古夫镇高阳大道58号 |
专利法律状态
2023-06-02
授权
状态信息
授权
摘要
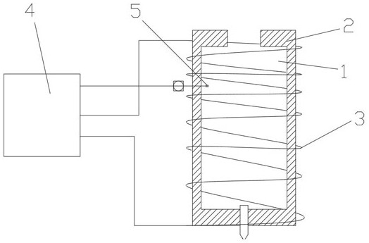
本实用新型公开了一种石墨炉电磁加热装置,包括石墨炉体,所述石墨炉体外壁上缠绕一层硅酸铝保温棉,所述硅酸铝保温棉外缠绕电磁线圈,所述电磁线圈两端连接在电磁加热控制器上。本实用新型改进了现有石墨炉加热装置,通过在石墨炉体外周产生磁场,使石墨炉体内部的分子在磁场的作用下产生相对运动,从而使石墨炉体自身发热,有效规避采用电加热丝加热时存在的高温氧化导致电加热丝断裂的问题。


