授权公布号:CN213388647U
一种新型火腿发酵装置
有效
申请
2020-09-05
申请公布
1970-01-01
授权
2021-06-08
预估到期
2030-09-05
| 申请号 | CN202021925477.8 |
| 申请日 | 2020-09-05 |
| 授权公布号 | CN213388647U |
| 授权公告日 | 2021-06-08 |
| 分类号 | C12M1/12;C12M1/02;C12M1/04;C12M1/00;A22C15/00 |
| 分类 | 生物化学;啤酒;烈性酒;果汁酒;醋;微生物学;酶学;突变或遗传工程; |
| 申请人名称 | 浙江大江南食品有限公司 |
| 申请人地址 | 浙江省金华市义乌市东河经济开发区 |
专利法律状态
2021-06-08
授权
状态信息
授权
摘要
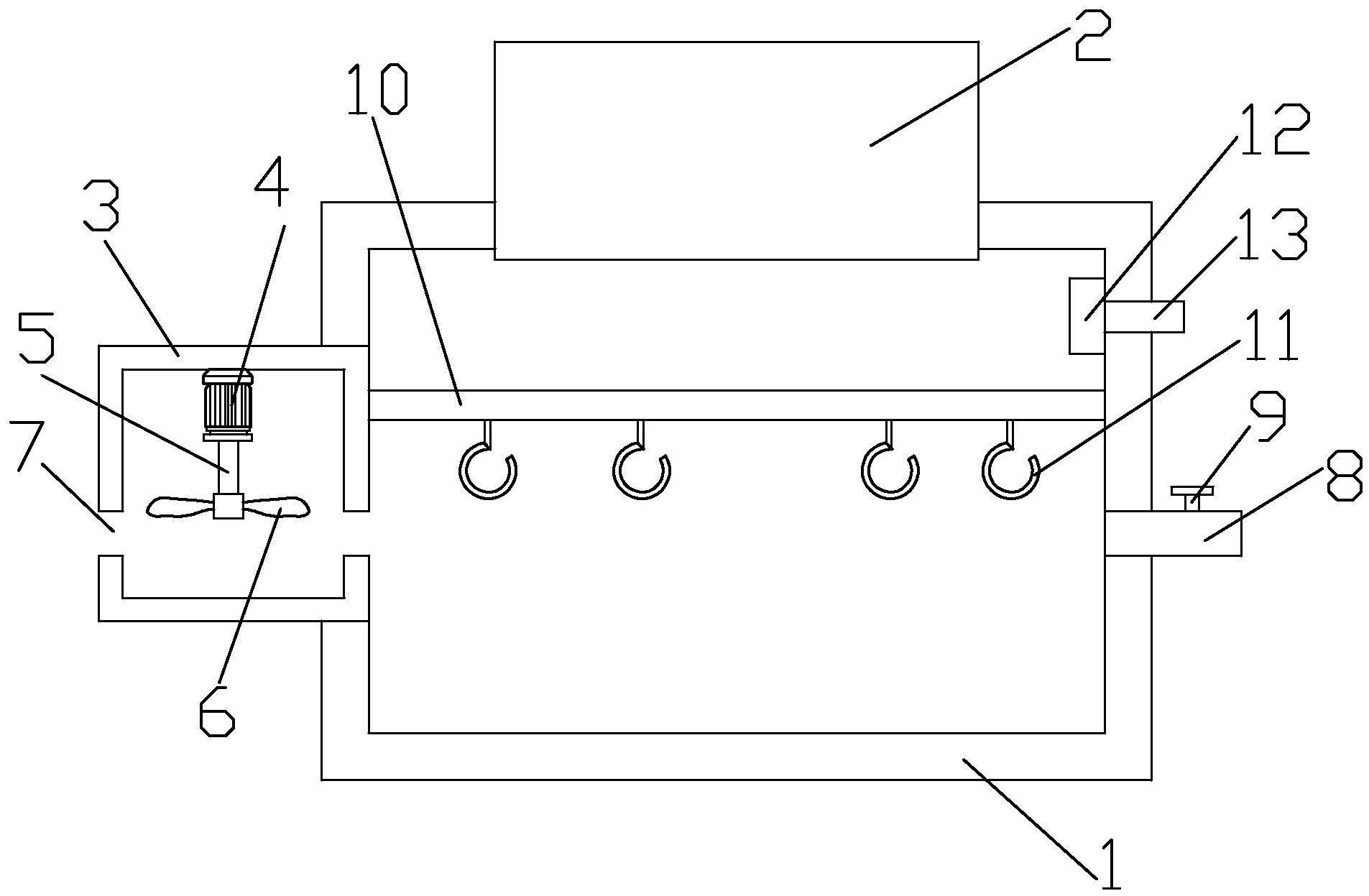
本实用新型公开了一种新型火腿发酵装置,包括发酵室、设置在发酵室上端的加热装置和设置在发酵室侧壁上的换气净化箱,所述发酵室内固定连接有挂杆,所述挂杆上可拆卸连接有若干阵列分布的挂钩,所述挂杆靠近挂钩的一端开设有供挂钩插入的若干内腔,所述挂钩靠近挂杆的一端对称设置有两个第一连接块,所述内腔的侧壁上开设有供第一连接块滑动的滑槽,所述内腔的底壁上开设有供第一连接块转入的环形槽。本实用新型的一种新型火腿发酵装置,能够方便调节相邻火腿之间的距离,防止火腿站在一起而影响发酵的质量。


