授权公布号:CN205634966U
一种去除重金属的装置
有效
申请
2016-04-29
申请公布
1970-01-01
授权
2016-10-12
预估到期
2026-04-29
| 申请号 | CN201620387609.3 |
| 申请日 | 2016-04-29 |
| 授权公布号 | CN205634966U |
| 授权公告日 | 2016-10-12 |
| 分类号 | C02F1/28;B09C1/00;C02F11/00;C02F101/20N |
| 分类 | 水、废水、污水或污泥的处理; |
| 申请人名称 | 珠海国佳新材股份有限公司 |
| 申请人地址 | 广东省珠海市国家高新区三灶科技工业园机场西路697号 |
专利法律状态
2016-10-12
授权
状态信息
授权
摘要
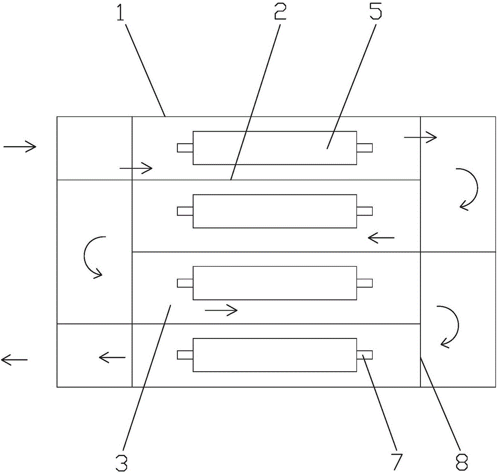
本实用新型公开了一种去除重金属的装置,包括箱体,所述箱体内置有水平隔层,所述水平隔层把箱体内腔分成若干个水平流道,所述水平隔层端部与箱体内壁之间留有转折口,所述箱体内的水平流道和转折口组成一个迂回曲折的通道,所述箱体侧壁处开有输入口和输出口,所述水平流道中设置有水平设置有吸附柱,所述吸附柱内置有吸附材料,所述吸附柱上分布有透孔;该装置通过合理的结构改良,尤其是通过箱体内的配合水平隔层吸附材料的设计,可有效去除重金属,适用于重金属污染的废水、土壤、污泥,而且结构简单易用,也方便吸附材料的替换,适合野外操作。


