授权公布号:CN109854350B
一种变频发电机组冷却系统
有效
申请
2019-04-04
申请公布
2019-06-07
授权
2024-02-13
预估到期
2039-04-04
| 申请号 | CN201910272461.7 |
| 申请日 | 2019-04-04 |
| 申请公布号 | CN109854350A |
| 申请公布日 | 2019-06-07 |
| 授权公布号 | CN109854350B |
| 授权公告日 | 2024-02-13 |
| 分类号 | F01P1/06;F01P5/06;H05K7/20 |
| 分类 | 一般机器或发动机;一般的发动机装置;蒸汽机; |
| 申请人名称 | 威马农机股份有限公司 |
| 申请人地址 | 重庆市江津区珞璜工业园B区 |
专利法律状态
2024-02-13
授权
状态信息
授权
2019-07-02
实质审查的生效
状态信息
实质审查的生效;IPC(主分类):F01P1/06;申请日:20190404
2019-06-07
公布
状态信息
公布
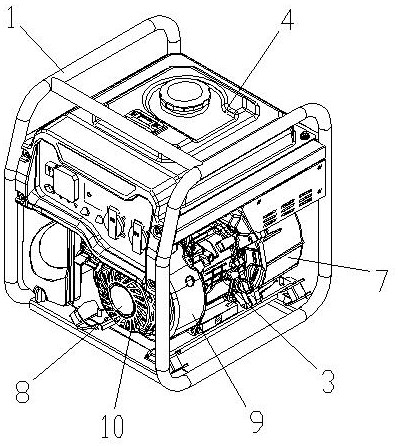
摘要
本发明公开了一种变频发电机组冷却系统,包括机架、发动机、发动机曲轴箱、发电机、油箱、拉盘启动器总成、变频器以及消声器,在电机转子背离发动机曲轴箱的一侧设有一径流风扇,在电机外罩的上部设有第一出风孔,在电机外罩下部设有第二出风孔;所述变频器水平安装于电机外罩的上方,所述油箱的底壳对应变频器的位置向上凹陷形成导风槽;在发动机外侧设有一缸头导流罩,所述消声器包括消声器筒体和消声器外罩,所述消声器筒体与消声器外罩之间具有间隙。本发明通过全新的结构布局,在变频发电机组内形成多条散热通道,散热效果更好,能够有效提高整个变频发电机组的性能。


