授权公布号:CN213146969U
一种多热源承压热水系统
有效
申请
2020-10-13
申请公布
1970-01-01
授权
2021-05-07
预估到期
2030-10-13
| 申请号 | CN202022278824.9 |
| 申请日 | 2020-10-13 |
| 授权公布号 | CN213146969U |
| 授权公告日 | 2021-05-07 |
| 分类号 | F24H9/12;F24H9/20;F24H9/00 |
| 分类 | 供热;炉灶;通风; |
| 申请人名称 | 瑞美(中国)热水器有限公司 |
| 申请人地址 | 四川省成都市新都区新都学院路东段40号 |
专利法律状态
2021-05-07
授权
状态信息
授权
摘要
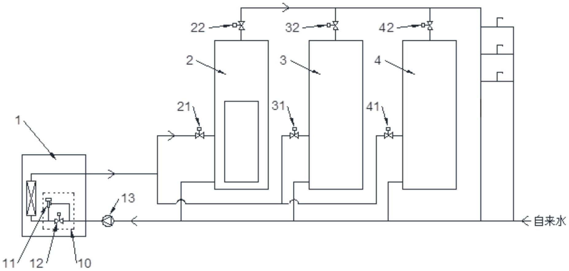
本实用新型热水工程设备技术领域,提供了一种多热源承压热水系统,包括:至少一个非储水式热水装置;和至少两个相互并联的承压式热水装置,承压式热水装置的进水口与非储水式热水装置的出水口连接,承压式热水装置的上出水口与热水管网的用水口连接,非储水式热水装置的进水口和自来水管连接,承压式热水装置的下出水口与自来水管和热水管网的回水口连接;非储水式热水装置的进水口上设有一个循环水泵;其综合了不同热源热水装置的优点,同时与承压供水方式相结合,使供水压力和水温相对稳定。


