授权公布号:CN214284832U
一种基于人脸识别的洗鞋机个性化交互界面的装置
有效
申请
2020-12-16
申请公布
1970-01-01
授权
2021-09-28
预估到期
2030-12-16
| 申请号 | CN202023045583.X |
| 申请日 | 2020-12-16 |
| 授权公布号 | CN214284832U |
| 授权公告日 | 2021-09-28 |
| 分类号 | A47L23/02;G06K9/00 |
| 分类 | 家具;家庭用的物品或设备;咖啡磨;香料磨;一般吸尘器; |
| 申请人名称 | 山东小鸭集团有限责任公司 |
| 申请人地址 | 山东省济南市高新区工业南路51号 |
专利法律状态
2021-09-28
授权
状态信息
授权
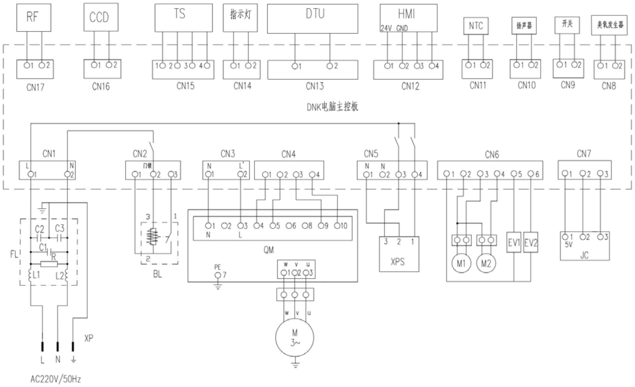
摘要
本实用新型提出了一种基于人脸识别的洗鞋机个性化交互界面的装置,该装置包括处理器、人脸识别单元、调试模块、数据传输终端、触摸显示屏、温度传感器、超震开关,滤噪器、电机模组、水位传感器、三线排水阀、清洁剂泵和门锁;处理器分别与人脸识别单元、调试模块、数据传输终端、触摸显示屏、温度传感器、超震开关,滤噪器、电机模组、水位传感器、三线排水阀、清洁剂泵和门锁通信连接。装置中人脸识别单元包括活体检测模组和图像传感器;活体检测模组和图像传感器通信连接;活体检测模组与处理器连接;图像传感器与处理器连接。本实用新型中解决了不同性别、各个年龄阶段的用户对交互界面体验需求不同的问题,改善了人机之间通信的交互方式。


