授权公布号:CN107328102B
一种二氧化碳复合式热泵热水及空调系统及其控制方法
有效
申请
2017-08-18
申请公布
2017-11-07
授权
2024-02-09
预估到期
2037-08-18
| 申请号 | CN201710712925.2 |
| 申请日 | 2017-08-18 |
| 申请公布号 | CN107328102A |
| 申请公布日 | 2017-11-07 |
| 授权公布号 | CN107328102B |
| 授权公告日 | 2024-02-09 |
| 分类号 | F24H4/02;F24F5/00;F25B49/02 |
| 分类 | 供热;炉灶;通风; |
| 申请人名称 | 安徽扬子空调股份有限公司 |
| 申请人地址 | 安徽省滁州市扬子工业开发区上海北路588号 |
专利法律状态
2024-02-09
授权
状态信息
授权
2024-01-26
著录事项变更
状态信息
著录事项变更;IPC(主分类):F24H4/02;变更事项:申请人;变更前:中国扬子集团滁州扬子空调器有限公司;变更后:安徽扬子空调股份有限公司;变更事项:地址;变更前:239000 安徽省滁州市扬子工业开发区上海北路588号;变更后:239000 安徽省滁州市扬子工业开发区上海北路588号
2017-12-01
实质审查的生效
状态信息
实质审查的生效;IPC(主分类):F24H4/02;申请日:20170818
2017-11-07
公布
状态信息
公布
摘要
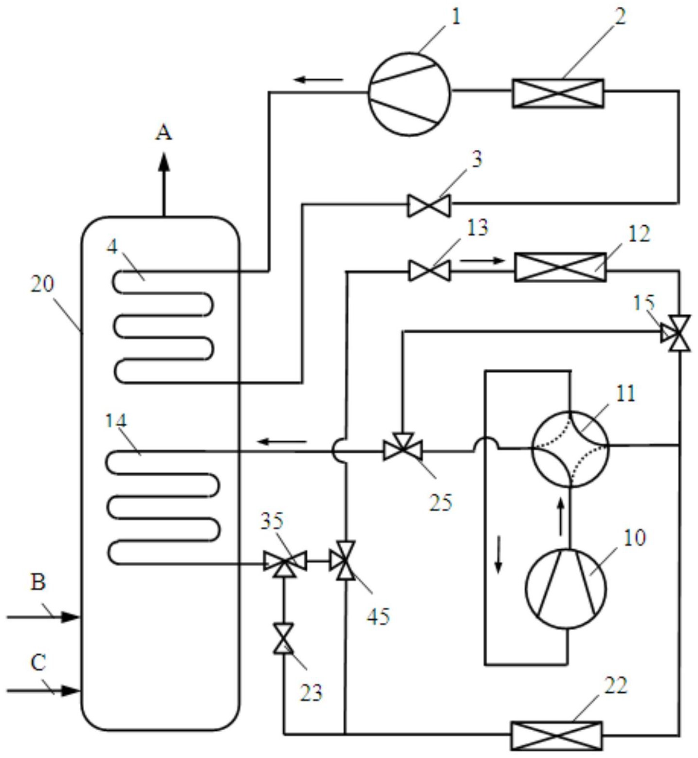
本发明公开了一种二氧化碳复合式热泵热水及空调系统及其控制方法,其系统是由二氧化碳热泵单元、氟循环单元和储水箱构成;二氧化碳热泵单元是以二氧化碳为制冷剂,形成第一热泵循环回路;氟循环单元是以氟里昂为制冷剂,利用四通阀和各切换阀构成可选通的第二热泵循环回路、热泵与制冷循环回路和制冷空调循环回路。本发明能够全年在较宽的温区内分别实现供暖、供冷和供热水的不同工作模式,并确保系统平稳可靠和节能运行。


