授权公布号:CN217274596U
一种全变频控制空调系统
有效
申请
2022-03-02
申请公布
1970-01-01
授权
2022-08-23
预估到期
2032-03-02
| 申请号 | CN202220454378.9 |
| 申请日 | 2022-03-02 |
| 授权公布号 | CN217274596U |
| 授权公告日 | 2022-08-23 |
| 分类号 | F24F5/00;F24F11/61;F24F11/64;F24F11/85;F24F11/86;F24F13/30;F24F140/20N |
| 分类 | 供热;炉灶;通风; |
| 申请人名称 | 深圳麦克维尔空调有限公司 |
| 申请人地址 | 广东省深圳市龙岗区平湖街道芳坑路10号 |
专利法律状态
2022-08-23
授权
状态信息
授权
摘要
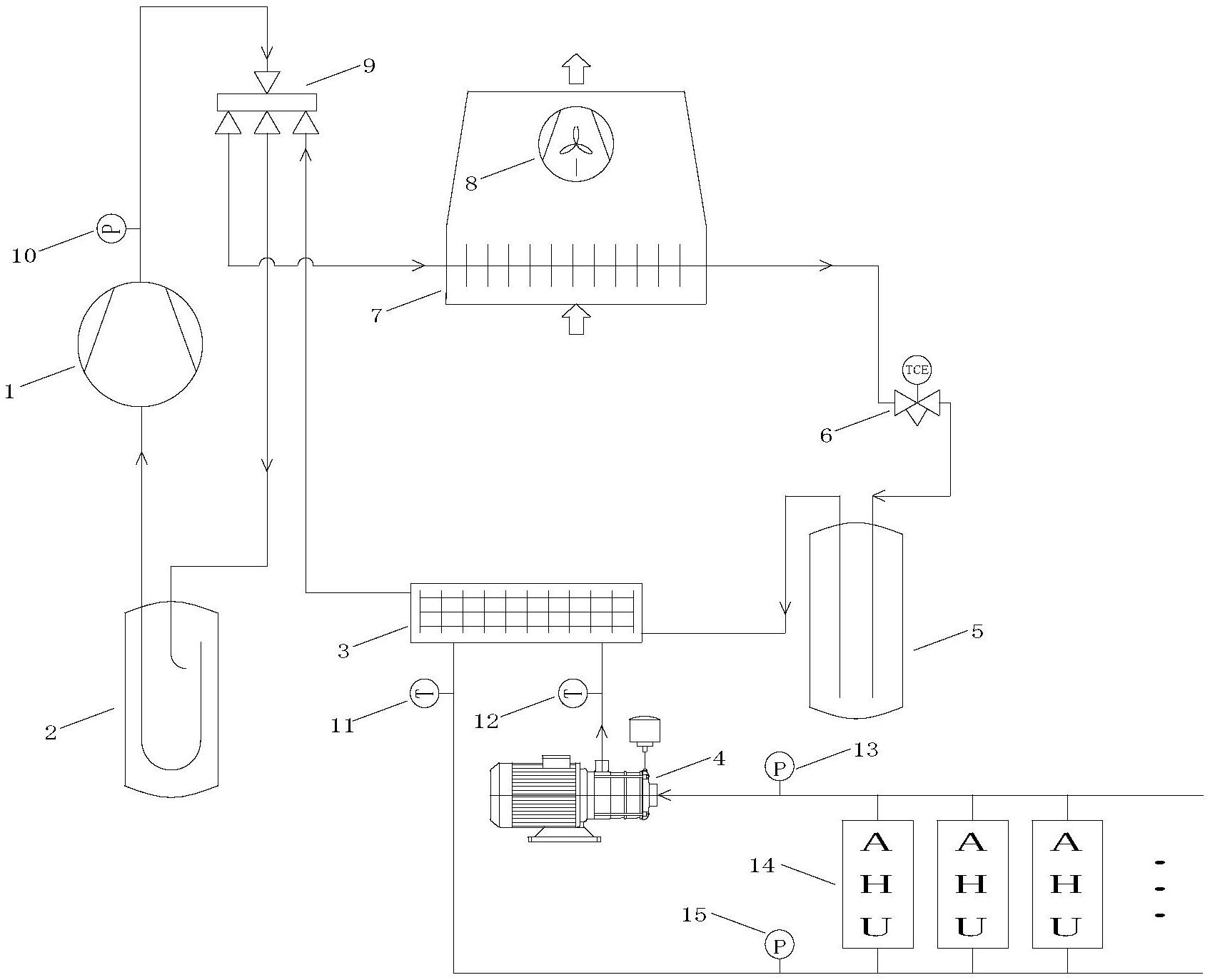
本实用新型公开了一种全变频控制空调系统,包括调温系统、水循环系统、空气处理器,水循环系统包括冷媒层与调温系统相连的水式换热器和循环水泵,水式换热器的进水口通过回水管路与空气处理器的出水口相连,水式换热器的出水口通过出水管路与空气处理器的进水口相连,循环水泵设置在回水管路中,水循环系统中设有温度传感器,还包括与温度传感器和循环水泵均相连、以根据水温控制循环水泵的运行频率的控制器。工作过程中,控制器根据水温控制循环水泵的运行频率,进而调节循环水的流速。循环水的流速会直接影响制冷温度,控制器可在保证制冷温度适当的前提下降低循环水泵的运行频率,达到降低循环水泵功耗的目的。


