授权公布号:CN216481351U
一种制冷系统
有效
申请
2021-05-07
申请公布
1970-01-01
授权
2022-05-10
预估到期
2031-05-07
| 申请号 | CN202120966016.3 |
| 申请日 | 2021-05-07 |
| 授权公布号 | CN216481351U |
| 授权公告日 | 2022-05-10 |
| 分类号 | F24F5/00;F24F13/30;F25B6/00;H05K7/20 |
| 分类 | 供热;炉灶;通风; |
| 申请人名称 | 深圳麦克维尔空调有限公司 |
| 申请人地址 | 广东省深圳市龙岗区平湖街道芳坑路10号 |
专利法律状态
2022-05-10
授权
状态信息
授权
摘要
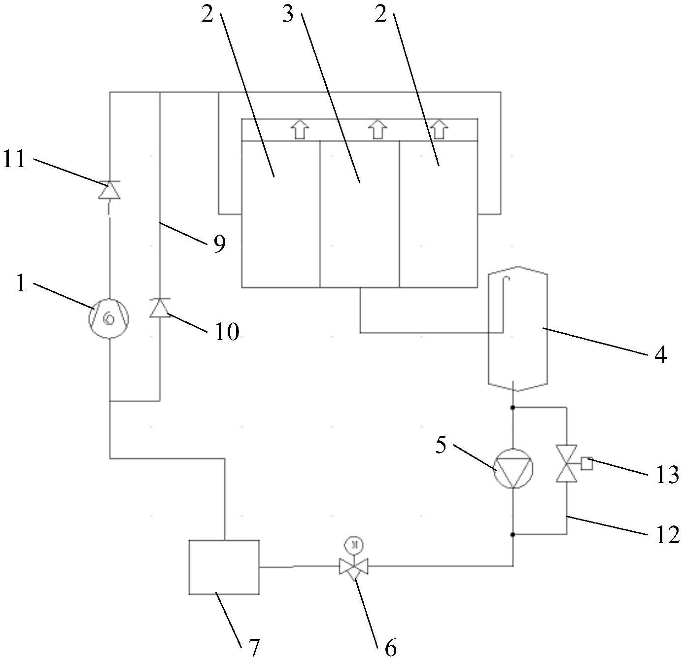
本实用新型公开了一种制冷系统,包括:压缩机、风冷式热交器、蒸发式冷凝器、取液器、冷媒液泵、节流装置以及负载侧换热器,压缩机的出口连接风冷式热交器的入口,风冷式热交器的出口连接蒸发式冷凝器的入口,蒸发式冷凝器的出口连接取液器,取液器的出口连接冷媒液泵的入口,冷媒液泵的出口、节流装置和负载侧换热器依次相连,负载侧换热器连接压缩机的入口;用于连接负载侧换热器和风冷式热交器的入口的第一旁通管路,第一旁通管路设有第一开关阀,压缩机与风冷式热交器之间设有第二开关阀;用于连接取液器的出口与节流装置的第二旁通管路,第二旁通管路设有用于控制其通断的第三开关阀。该制冷系统可有效利用冬季的自然冷源,节约能耗。


