授权公布号:CN220135617U
水冷系统及空调机组
有效
申请
2023-03-30
申请公布
1970-01-01
授权
2023-12-05
预估到期
2033-03-30
| 申请号 | CN202320680089.5 |
| 申请日 | 2023-03-30 |
| 授权公布号 | CN220135617U |
| 授权公告日 | 2023-12-05 |
| 分类号 | F24F5/00;F24F11/61;F24F11/64;F24F11/89;F24F11/84 |
| 分类 | 供热;炉灶;通风; |
| 申请人名称 | 浙江盾安机电科技有限公司 |
| 申请人地址 | 浙江省绍兴市诸暨市店口镇工业区 |
专利法律状态
2023-12-05
授权
状态信息
授权
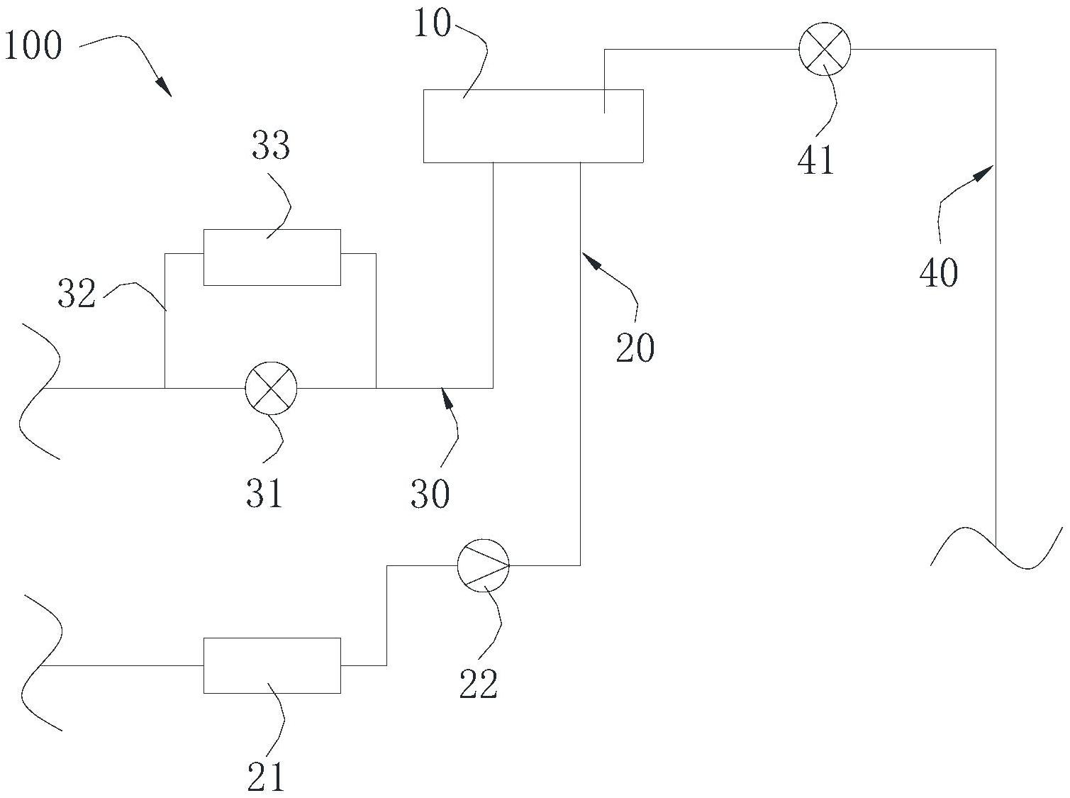
摘要
本申请涉及一种水冷系统及空调机组,水冷系统包括水箱、循环管路及排水管路,循环管路及排水管路分别与水箱连接并连通;水冷系统还包括控制器及第一电动流量阀,第一电动流量阀安装于排水管路上且与控制器信号连接,以在控制器的控制下控制排水管路的通/断;其中,控制器具有第一工作状态和第二工作状态,在第一工作状态中,控制器控制第一电动流量阀常闭,在第二工作状态中,控制器控制第一电动流量阀常开。本实用新型的优点在于:水冷系统能够控制排水管路的工作状态,定期清换水箱内的水,避免结垢,提升空调机组的使用性能。


