授权公布号:CN218469331U
一种气悬浮离心式冷水机组持续稳定的储液系统
有效
申请
2022-08-31
申请公布
1970-01-01
授权
2023-02-10
预估到期
2032-08-31
| 申请号 | CN202222317156.5 |
| 申请日 | 2022-08-31 |
| 授权公布号 | CN218469331U |
| 授权公告日 | 2023-02-10 |
| 分类号 | F25B1/00;F25B41/20;F25B41/30;F25B43/00;F25B49/02 |
| 分类 | 制冷或冷却;加热和制冷的联合系统;热泵系统;冰的制造或储存;气体的液化或固化; |
| 申请人名称 | 克莱门特捷联制冷设备(上海)有限公司 |
| 申请人地址 | 上海市奉贤区星火开发区白云路88号、85号7号厂房 |
专利法律状态
2023-02-10
授权
状态信息
授权
摘要
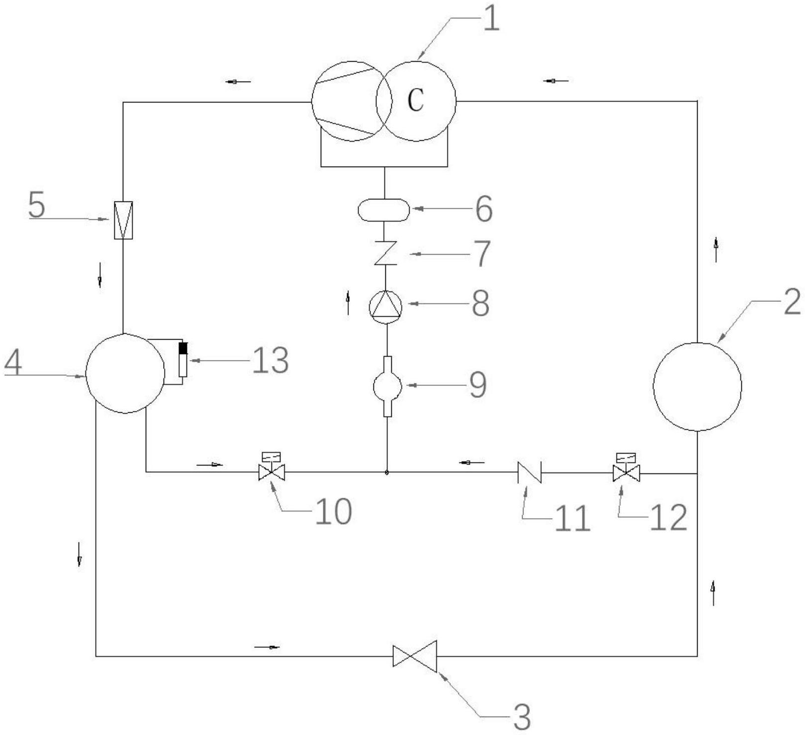
本实用新型涉及气悬浮离心式冷水机组技术领域,且公开了一种气悬浮离心式冷水机组持续稳定的储液系统,包括气悬浮压缩机、蒸发器和冷凝器;所述气悬浮压缩机连接所述蒸发器,所述蒸发器另一端分别连接冷凝器和蒸发器取液电磁阀,所述冷凝器远离所述蒸发器的一端连接到所述气悬浮压缩机;干过滤器分别连接冷凝器取液电磁阀和蒸发器取液单向阀,所述冷凝器取液电磁阀的另一端连接所述冷凝器,所述蒸发器取液单向阀的另一端连接蒸发器取液电磁阀;在于克服现有的缺陷而提供的一种气悬浮离心式冷水机组持续稳定的储液系统,能为气悬浮离心压缩机提供持续稳定的液态冷媒,进而保障气悬浮压缩机一直处于稳定可靠的供气状态。


