授权公布号:CN211931165U
一种用于数据中心的无油高效制冷系统
有效
申请
2020-05-29
申请公布
1970-01-01
授权
2020-11-13
预估到期
2030-05-29
| 申请号 | CN202020960008.3 |
| 申请日 | 2020-05-29 |
| 授权公布号 | CN211931165U |
| 授权公告日 | 2020-11-13 |
| 分类号 | H05K7/20 |
| 分类 | 其他类目不包含的电技术; |
| 申请人名称 | 克莱门特捷联制冷设备(上海)有限公司 |
| 申请人地址 | 上海市奉贤区星火开发区白云路88号、85号7号厂房 |
专利法律状态
2020-11-13
授权
状态信息
授权
摘要
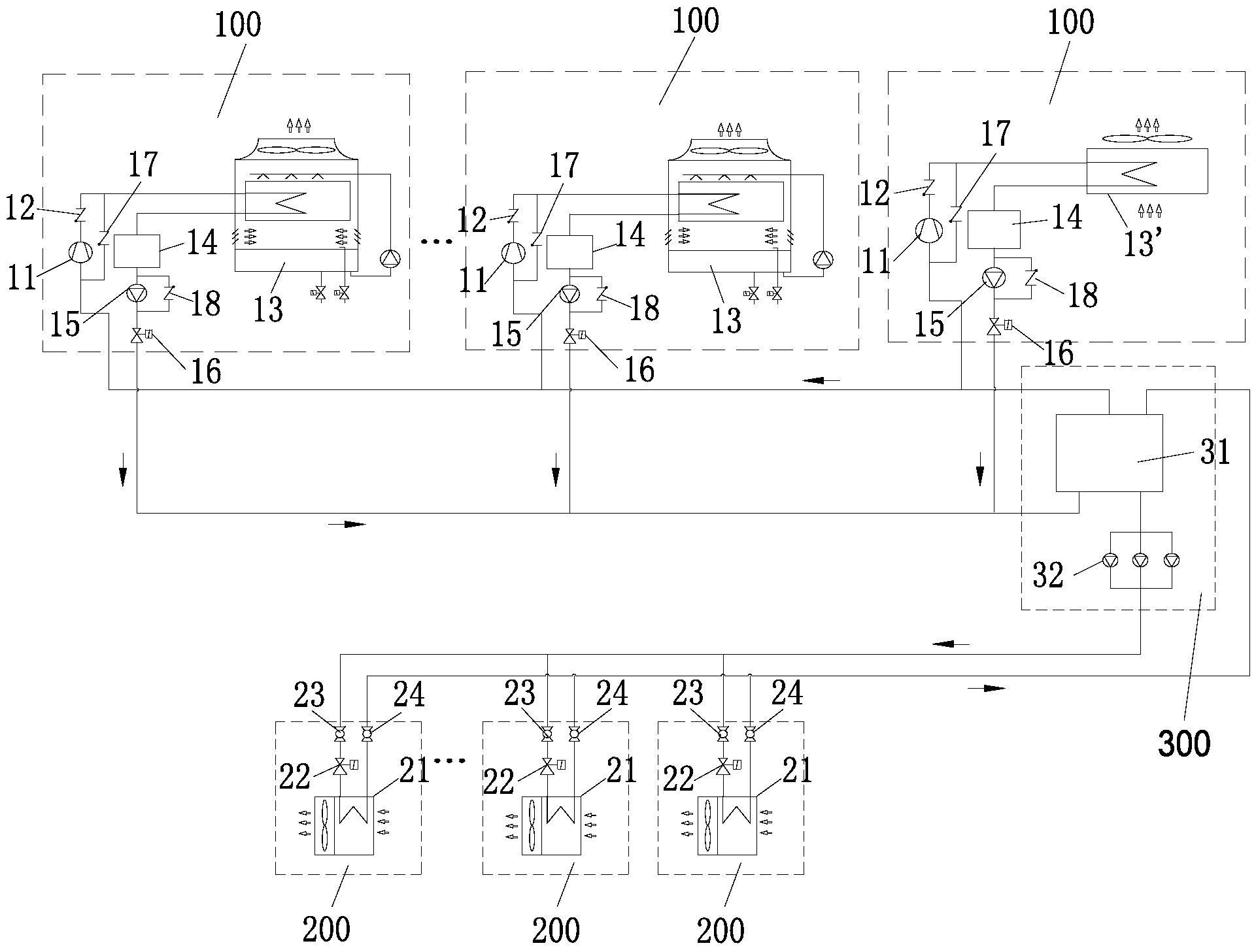
本实用新型公开了一种用于数据中心的无油高效制冷系统,包括多个室外冷凝模块、多个室内蒸发模块和集液分气供液模块;每个室外冷凝模块的压缩机的排气口依次与单向阀、冷凝器、储液器、室外制冷剂泵和室外膨胀阀的入口相连;压缩机和单向阀之间并联第一单向阀;室外制冷剂泵并联第二单向阀;每个室内蒸发模块的蒸发器的入口与室内膨胀阀的出口相连;集液分气供液模块的集液分气器的液体入口、气体出口、气体入口、液体出口一一对应地与多个室外膨胀阀的出口、多个压缩机的吸气口、多个蒸发器的出口和制冷剂泵的入口相连;制冷剂泵的出口分别与多个室内膨胀阀的入口相连。本实用新型能实现系统低能耗运行,并能提高系统的安全性。


