授权公布号:CN216953719U
一种离心式冷水机组的供液系统
有效
申请
2021-12-24
申请公布
1970-01-01
授权
2022-07-12
预估到期
2031-12-24
| 申请号 | CN202123286671.3 |
| 申请日 | 2021-12-24 |
| 授权公布号 | CN216953719U |
| 授权公告日 | 2022-07-12 |
| 分类号 | F25D17/02;F25B41/40;F25B43/00 |
| 分类 | 制冷或冷却;加热和制冷的联合系统;热泵系统;冰的制造或储存;气体的液化或固化; |
| 申请人名称 | 克莱门特捷联制冷设备(上海)有限公司 |
| 申请人地址 | 上海市奉贤区星火开发区白云路88号、85号7号厂房 |
专利法律状态
2022-07-12
授权
状态信息
授权
摘要
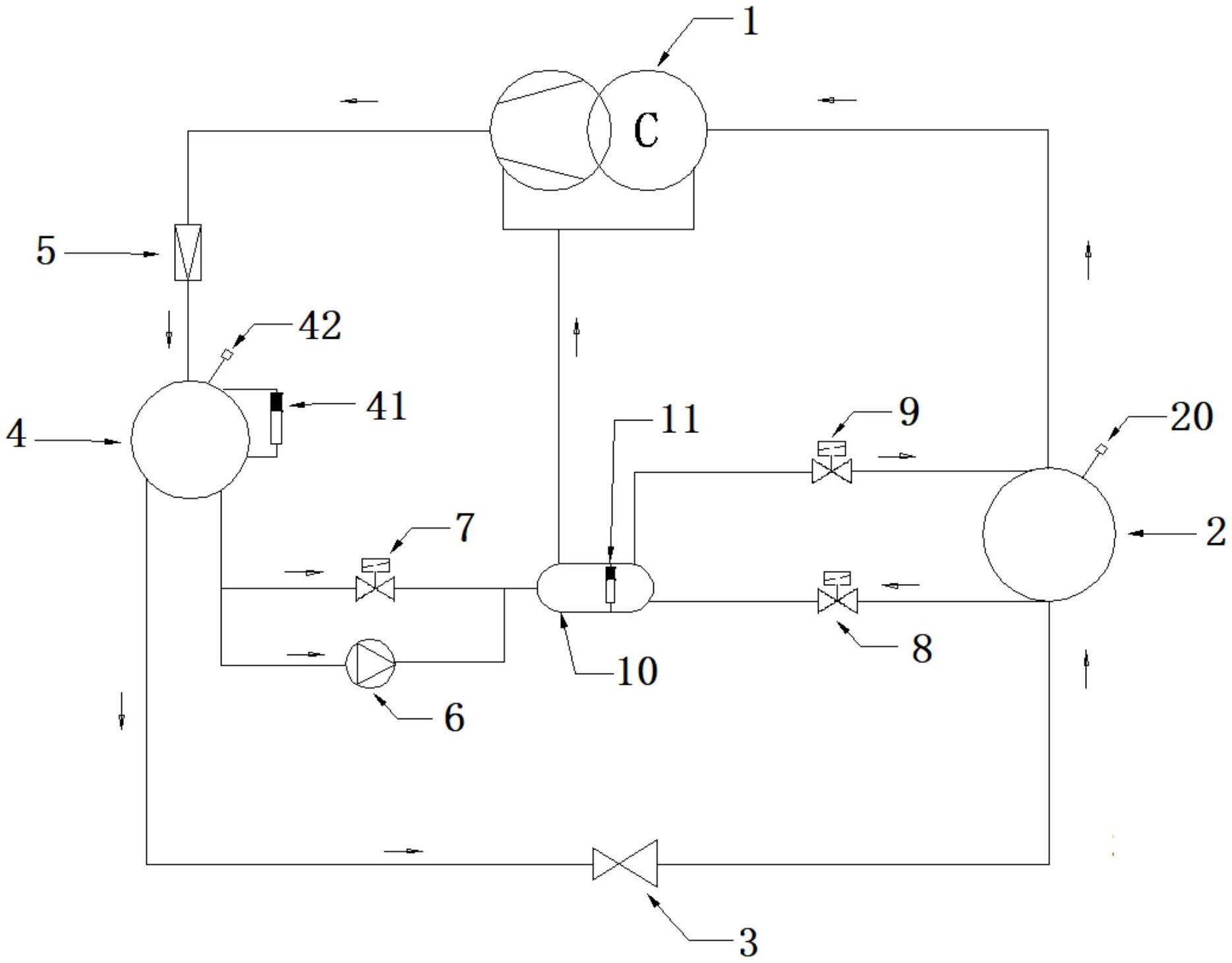
本实用新型公开了一种离心式冷水机组的供液系统,包括压缩机、冷凝器、节流阀、蒸发器和冷媒泵回路、储液罐和蒸发器取液回路;冷媒泵回路的冷媒泵和冷凝器取液电磁阀的进口均与冷凝器底部的冷媒口连接;储液罐的进口分别与冷媒泵和冷凝器取液电磁阀的出口连接,该储液罐的出口与压缩机的冷却口或供气接口连接;储液罐以其顶部高度低于蒸发器的底部高度的方式设置;蒸发器取液回路的蒸发器取液电磁阀的进口和出口与蒸发器的底部出液口及储液罐的进液口连接;蒸发器取液回路的回气电磁阀的进口和出口与储液罐的顶部出气口及蒸发器的顶部进气口连接。本实用新型的供液系统,能实现在不同工况下和机组不同运行状态下的供液的持续稳定运行。


