授权公布号:CN207243587U
一种水压驱动净水机
有效
申请
2017-08-25
申请公布
1970-01-01
授权
2018-04-17
预估到期
2027-08-25
| 申请号 | CN201721078371.7 |
| 申请日 | 2017-08-25 |
| 授权公布号 | CN207243587U |
| 授权公告日 | 2018-04-17 |
| 分类号 | C02F9/02;C02F103/04 |
| 分类 | 水、废水、污水或污泥的处理; |
| 申请人名称 | 沁园集团股份有限公司 |
| 申请人地址 | 浙江省宁波市杭州湾新区滨海二路78号 |
专利法律状态
2018-04-17
授权
状态信息
授权
摘要
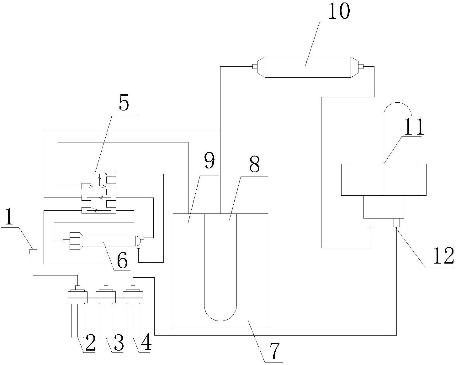
本实用新型涉及一种水压驱动净水机,包括净水装置、蓄水桶、电磁阀、水龙头、控制装置和连接管道;电磁阀为一个三位七通电磁阀;自来水管道与前置净水装置相连通,前置净水装置的出水管道与电磁阀的总进水口相连通,RO滤芯的进水口与电磁阀的滤芯出水口相连通,RO滤芯的纯水出水口与电磁阀的纯水进水口相连通,RO滤芯的重水出水口与电磁阀的重水进水口相连通,蓄水桶内设有一层隔膜,隔膜将所述蓄水桶分为纯水区和重水区;重水区与电磁阀的重水出水口相连通,后置净水装置分别与纯水区和电磁阀的纯水出水口相连通,后置净水装置的出水口与水龙头相连通;电磁阀上还设有一个废水排水口。本实用新型所述的水压驱动净水机制水量大,造价合理。


