授权公布号:CN218218079U
一种用于净水器的可控硅散热结构
有效
申请
2022-06-29
申请公布
1970-01-01
授权
2023-01-03
预估到期
2032-06-29
| 申请号 | CN202221664633.9 |
| 申请日 | 2022-06-29 |
| 授权公布号 | CN218218079U |
| 授权公告日 | 2023-01-03 |
| 分类号 | H05K7/20;H05K5/02;C02F1/00 |
| 分类 | 其他类目不包含的电技术; |
| 申请人名称 | 康丽根水处理科技(上海)有限公司 |
| 申请人地址 | 上海市徐汇区虹桥路500号29层 |
专利法律状态
2023-01-03
授权
状态信息
授权
摘要
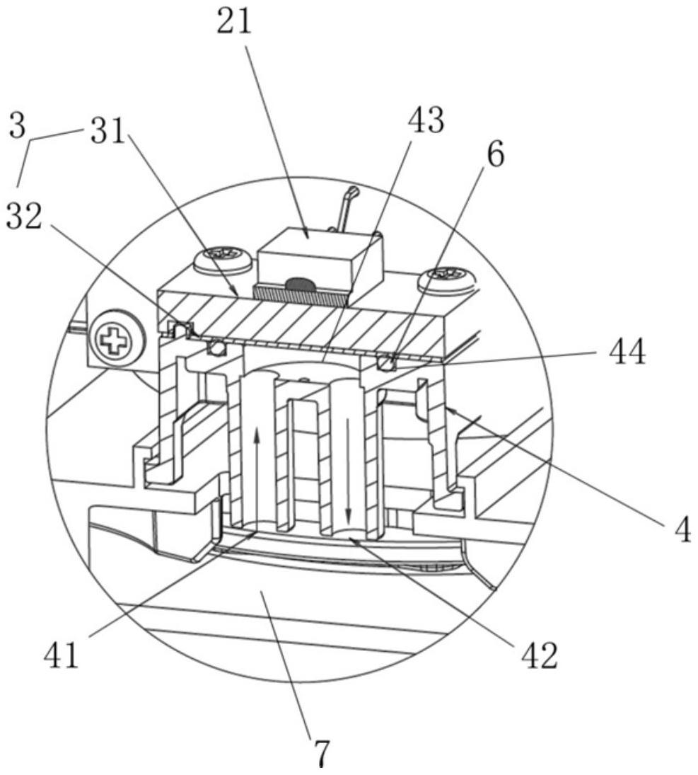
本实用新型涉及一种用于净水器的可控硅散热结构,净水器包括外水箱和PCBA组件,所述PCBA组件上设置有可控硅,可控硅散热结构包括导热单元和进出水接头,所述进出水接头包括进水通道和出水通道,所述进水通道和出水通道于冷却腔孔汇合,所述冷却腔孔贴合导热单元,所述导热单元接触可控硅,所述进水通道通过管道连接外水箱。与现有技术相比,本实用新型将净水器的水流通过导热单元和进出水接头引入并且用于冷却可控硅,实现对可控硅的有效散热;同时,可控硅工作时发出的热量可以对净水器的水流实现预加热,实现对热量的有效利用,节约能源。


