授权公布号:CN218672692U
一种新型烘干型空气源余热回收系统
有效
申请
2022-09-01
申请公布
1970-01-01
授权
2023-03-21
预估到期
2032-09-01
| 申请号 | CN202222322081.X |
| 申请日 | 2022-09-01 |
| 授权公布号 | CN218672692U |
| 授权公告日 | 2023-03-21 |
| 分类号 | F25B30/02;F25B30/06;F25B47/02;F26B25/00 |
| 分类 | 制冷或冷却;加热和制冷的联合系统;热泵系统;冰的制造或储存;气体的液化或固化; |
| 申请人名称 | 太阳雨集团有限公司 |
| 申请人地址 | 江苏省连云港市瀛洲南路199号 |
专利法律状态
2023-03-21
授权
状态信息
授权
摘要
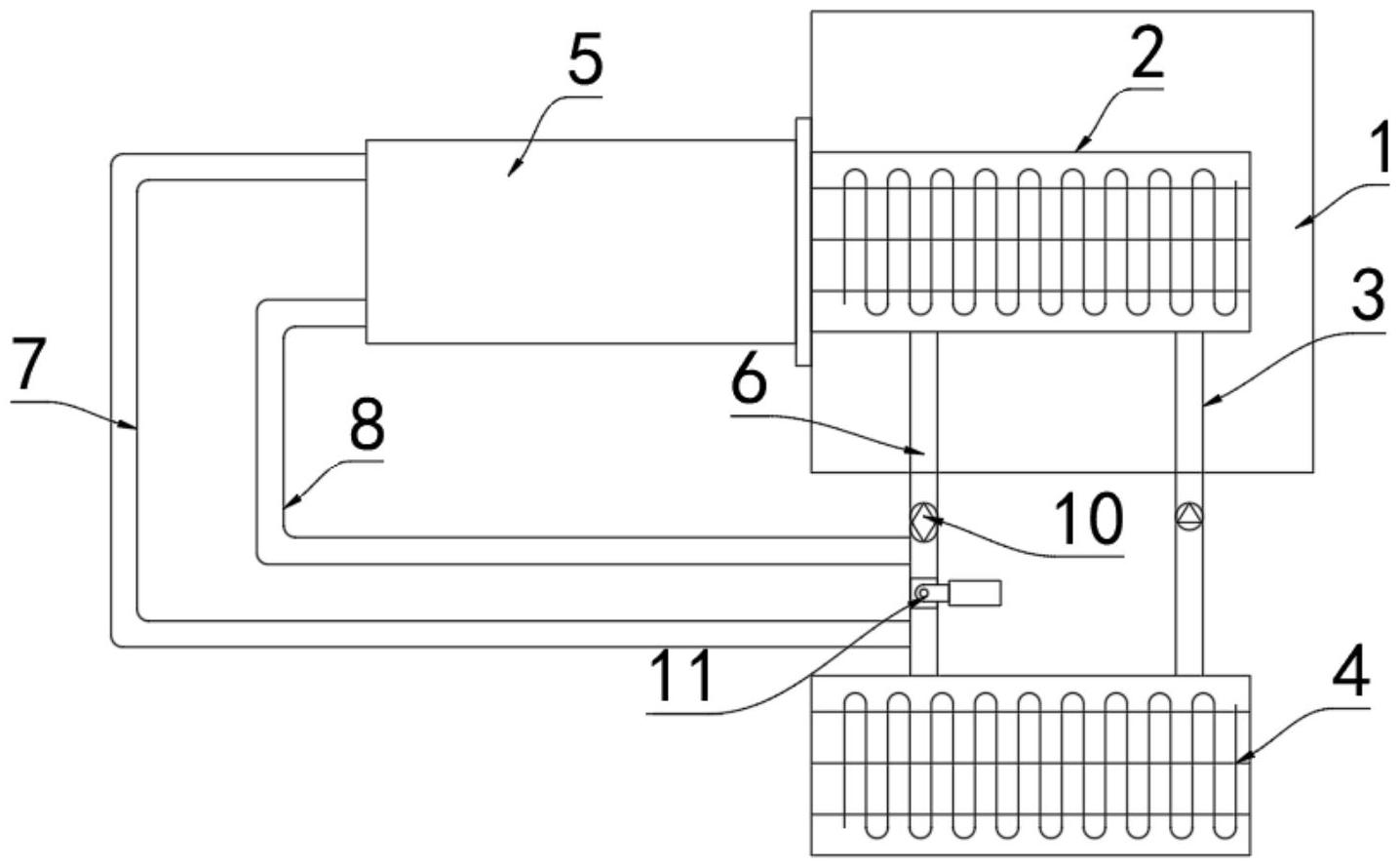
本实用新型公开了一种新型烘干型空气源余热回收系统,烘房、冷凝器和蒸发器,所述冷凝器安装在烘房上,所述冷凝器通过第一连接管、第二连接管与蒸发器相连接,所述烘房上安装有排出管,所述排出管内安装有换热管,所述换热管的两端分别转动安装有第一输送管、第二输送管,所述排出管上安装有驱动换热管转动的驱动机构,且所述排出管上安装有泄压阀,所述第一输送管、第二输送管与第二连接管相连接,所述换热管呈螺旋状设置,且所述换热管的两端均安装有共轴设置的中间管。本实用新型通过在排气管设有换热管,即从节流装置出来的低温冷媒通过换热管吸收余热大大提高蒸发温度,从而实现空气源的高效利用,有效解决频繁结霜问题,且造价低。


