授权公布号:CN219490336U
抬压脚机构及具有其的缝纫机
有效
申请
2021-03-01
申请公布
1970-01-01
授权
2023-08-08
预估到期
2031-03-01
| 申请号 | CN202120443927.8 |
| 申请日 | 2021-03-01 |
| 授权公布号 | CN219490336U |
| 授权公告日 | 2023-08-08 |
| 分类号 | D05B29/02 |
| 分类 | 缝纫;绣花;簇绒; |
| 申请人名称 | 浙江中捷缝纫科技有限公司 |
| 申请人地址 | 浙江省台州市玉环市大麦屿街道兴港东路198号 |
专利法律状态
2023-08-08
授权
状态信息
授权
摘要
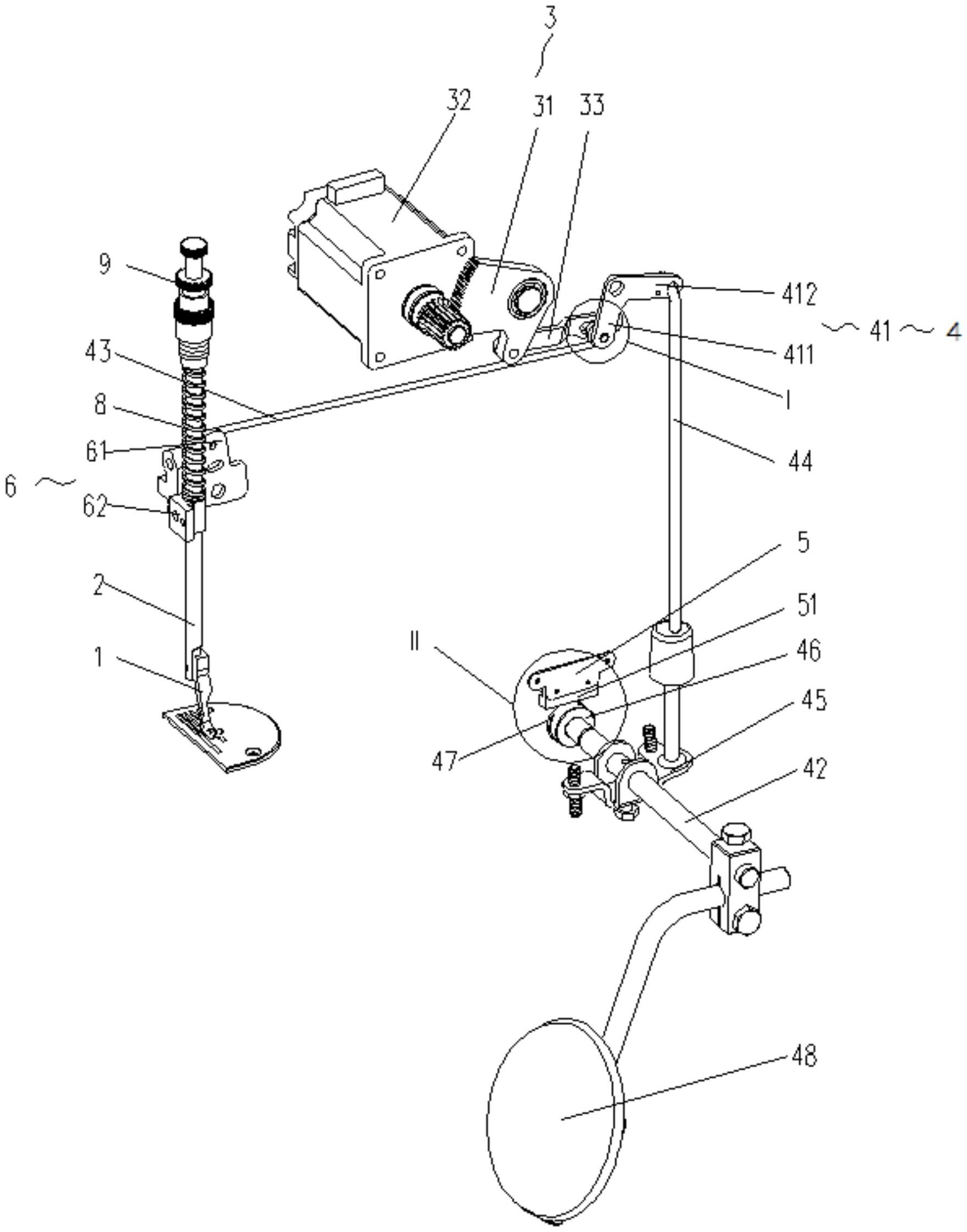
本实用新型提供了一种抬压脚机构及具有其的缝纫机压脚机构用于安装在缝纫机的机壳上,以带动安装有压脚的压脚杆运动以实现抬压脚动作,驱动电机的输出轴上连接有用于与压脚杆连接的驱动部件,驱动部件可转动地安装在机壳上;转动轴沿其轴线可转动地安装在机壳上;感应模块安装在机壳上,感应模块包括与驱动电机信号连接的距离感应器;其中,转动轴的一端设置有与距离感应器相配合的感应部,感应部上设置有感应片,转动轴的另一端设置有膝碰部件,以通过膝碰部件推动转动轴转动,从而触发距离感应器发出信号,以控制驱动电机的输出轴转动。本实用新型的抬压脚机构解决了现有技术中的缝纫机的结构复杂的问题。


