授权公布号:CN212000161U
一种筒式缝纫机用剪线机构
有效
申请
2020-03-24
申请公布
1970-01-01
授权
2020-11-24
预估到期
2030-03-24
| 申请号 | CN202020387411.1 |
| 申请日 | 2020-03-24 |
| 授权公布号 | CN212000161U |
| 授权公告日 | 2020-11-24 |
| 分类号 | D05B65/00 |
| 分类 | 缝纫;绣花;簇绒; |
| 申请人名称 | 上海标准海菱缝制机械有限公司 |
| 申请人地址 | 上海市松江区新桥镇书林路850号 |
专利法律状态
2020-11-24
授权
状态信息
授权
摘要
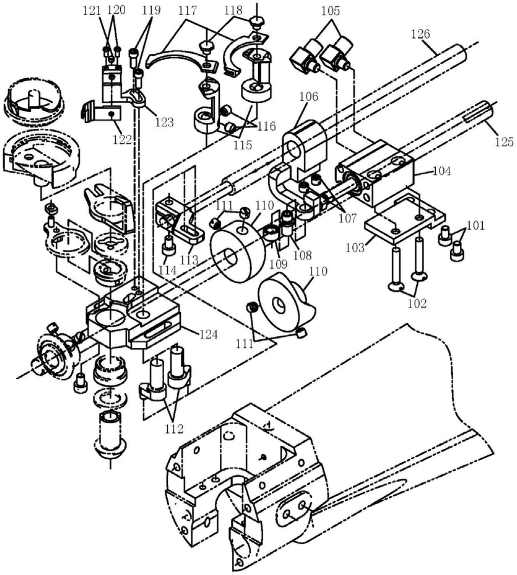
本实用新型公开了一种筒式缝纫机用剪线机构,其包括气缸、剪线驱动轴、下轴、滚柱推动架、滚柱、凸轮、旋梭安装架、动刀轴连接曲柄、动刀安装座、动刀、动刀连接架、定刀座以及定刀;其通过气缸推动滚柱推动架,使得剪线驱动轴带动动刀连接架向前运动,同时带动动刀轴连接曲柄运动,带动动刀运动。本实用新型提供的筒式缝纫机剪线机构,整体结构简单、定位精确、性能可靠。


