授权公布号:CN204570804U
空气制水机
有效
申请
2015-03-16
申请公布
1970-01-01
授权
2015-08-19
预估到期
2025-03-16
| 申请号 | CN201520148190.1 |
| 申请日 | 2015-03-16 |
| 授权公布号 | CN204570804U |
| 授权公告日 | 2015-08-19 |
| 分类号 | E03B3/28 |
| 分类 | 给水;排水; |
| 申请人名称 | 杭州弘泰电器有限公司 |
| 申请人地址 | 浙江省杭州市江干区九环路63号江干科技经济园2D-2 |
专利法律状态
2015-08-19
授权
状态信息
授权
摘要
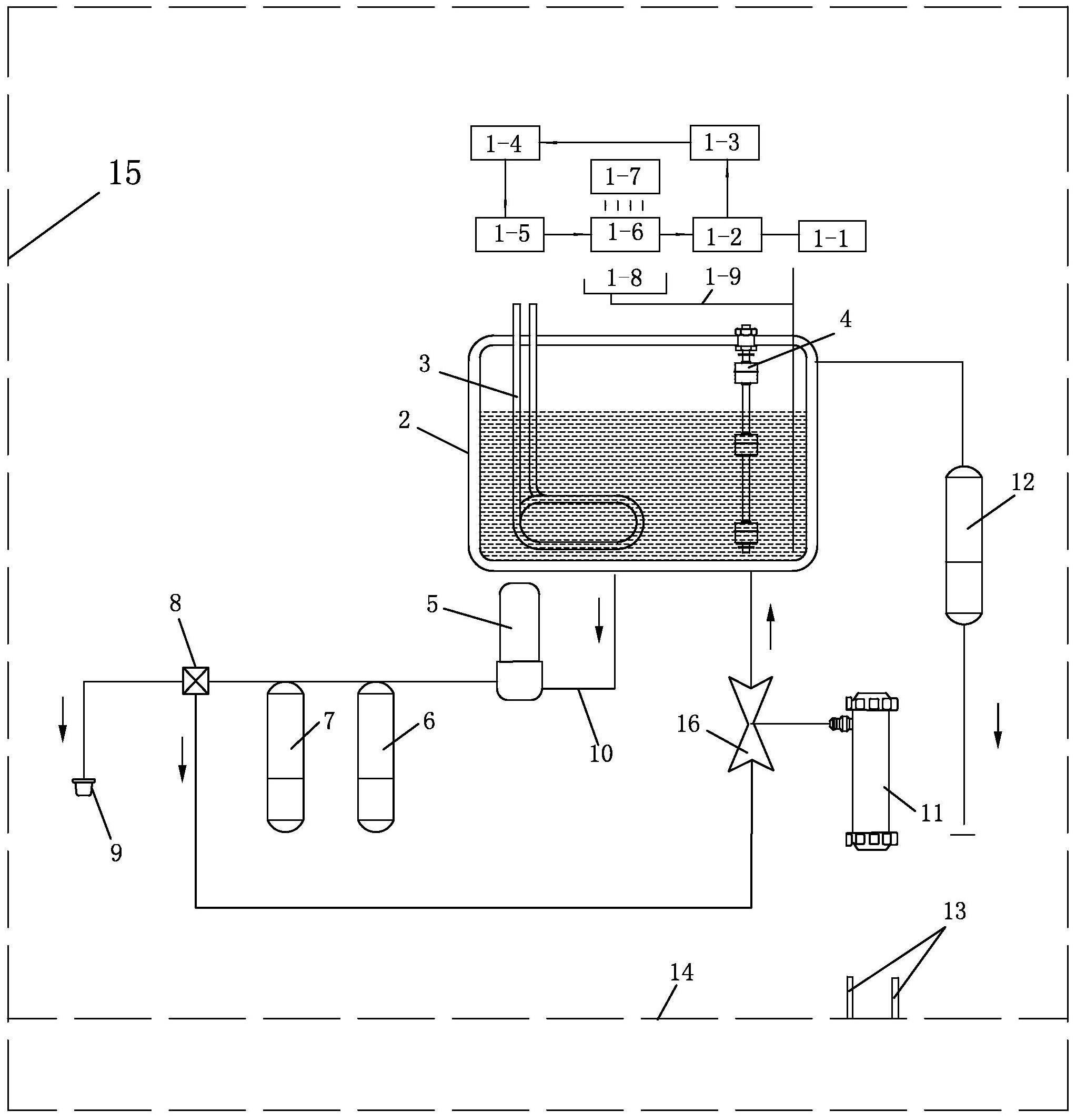
本实用新型涉及空气制水机。目的是提供的空气制水机应能确保水质干净无污染,使水质能达到国家饮用水标准,而且具有安全性高,使用方便的特点。技术方案是:空气制水机,包括机壳、制冷抽湿系统、箱以及净化系统;制冷抽湿系统位于水箱上方,接水盘通过管道连接到水箱内,水箱内设有液位开关,净化系统包括水泵、方解石过滤器、活性炭过滤器、三通电磁阀、文丘里管以及臭氧发生器,其中,水泵的入水口通过管道与水箱底部连接,水泵的出水口通过管道依次连接方解石过滤器、活性炭过滤器以及三通电磁阀的进水口,三通电磁阀的两个出水口分别连接出水嘴以及文丘里管的入水口,文丘里管的进气口与臭氧发生器连接,文丘里管的出口连接到水箱底部。


