授权公布号:CN217058006U
一种带有润滑油余热回收功能的二氧化碳热泵系统
有效
申请
2021-12-22
申请公布
1970-01-01
授权
2022-07-26
预估到期
2031-12-22
| 申请号 | CN202123242876.1 |
| 申请日 | 2021-12-22 |
| 授权公布号 | CN217058006U |
| 授权公告日 | 2022-07-26 |
| 分类号 | F25B30/02;F25B30/06;F25B41/31;F25B43/00;F25B49/02 |
| 分类 | 制冷或冷却;加热和制冷的联合系统;热泵系统;冰的制造或储存;气体的液化或固化; |
| 申请人名称 | 天普新能源科技有限公司 |
| 申请人地址 | 北京市大兴区芦城工业区创业路1号 |
专利法律状态
2022-07-26
授权
状态信息
授权
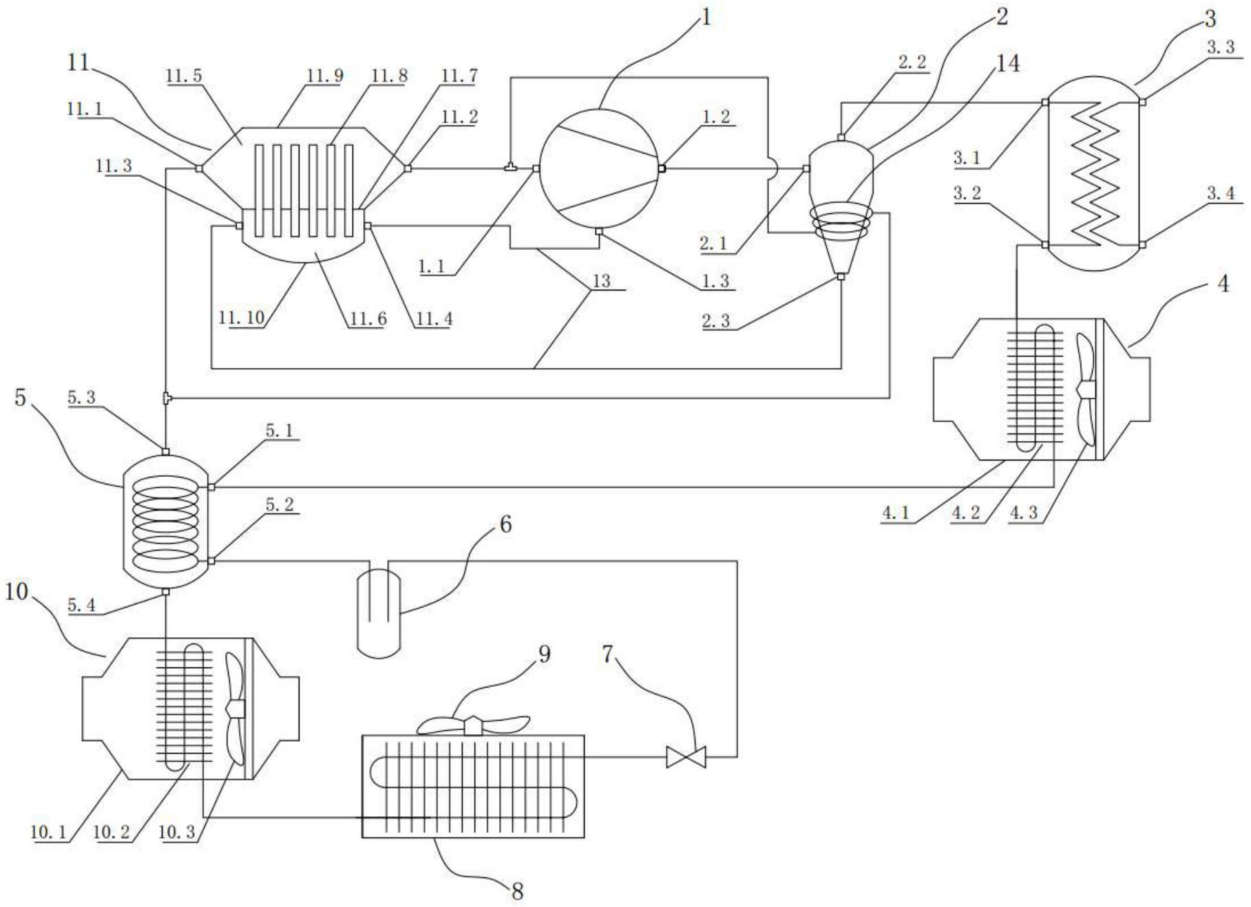
摘要
本实用新型公开了一种带有润滑油余热回收功能的二氧化碳热泵系统,包括:压缩机,油气分离器,冷却器,新风进气装置,气液分离器,储液罐,膨胀阀,蒸发器,蒸发器风扇,新风排气装置,油余热回收器;气液分离器低温制冷剂出口与油余热回收器制冷剂入口连接,油余热回收器制冷剂出口与压缩机制冷剂入口连接,油气分离器润滑油出口与油余热回收器润滑油入口连接,油余热回收器润滑油出口与压缩机润滑油入口连接。本实用新型,通过设置油余热回收器,既实现了润滑油热量的回收,又使润滑油温度降低到正常水平。


