授权公布号:CN206839821U
一种轴类零件外圆自动抛光机
有效
申请
2017-06-30
申请公布
1970-01-01
授权
2018-01-05
预估到期
2027-06-30
| 申请号 | CN201720784370.8 |
| 申请日 | 2017-06-30 |
| 授权公布号 | CN206839821U |
| 授权公告日 | 2018-01-05 |
| 分类号 | B24B29/08;B24B27/00;B24B55/04;B24B55/06;B24B55/00;B24B47/20 |
| 分类 | 磨削;抛光; |
| 申请人名称 | 中国西电集团有限公司 |
| 申请人地址 | 陕西省西安市高新区唐兴路7号 |
专利法律状态
2018-07-03
专利权人的姓名或者名称、地址的变更
状态信息
专利权人的姓名或者名称、地址的变更IPC(主分类):B24B 29/08变更前 专利权人:中国西电集团公司 地址:710075 陕西省西安市高新区唐兴路7号变更后 专利权人:中国西电集团有限公司 地址:710075 陕西省西安市高新区唐兴路7号
2018-01-05
授权
状态信息
授权
摘要
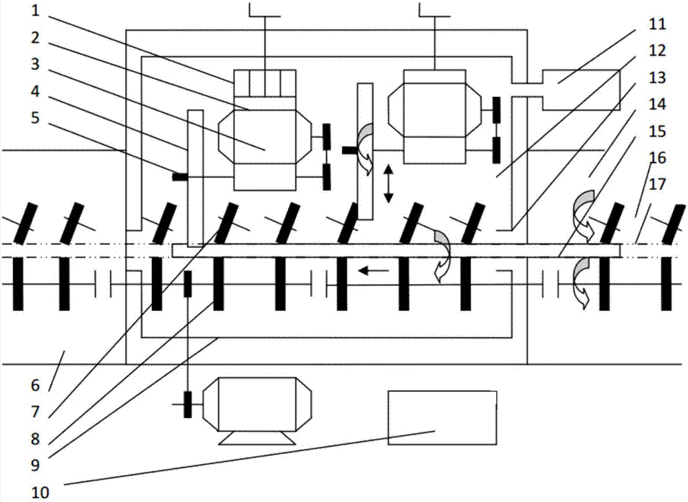
本实用新型公开了一种轴类零件外圆自动抛光机,包括主平台,所述的主平台上设置有抛光装置和相应传动装置;其中,所述的传动装置包括多组传动机构,每个传动机构包括主动滚轮和与主动滚轮相对且倾斜设置的从动滚轮,多组主动滚轮和从动滚轮上方形成用于运送工件的通道;所有的主动滚轮轴线串联且与通道轴线平行,所有的从动滚轮轴线均与通道轴线相交,且从动滚轮轴线与工件移动方向成锐角;主动滚轮与从动滚轮驱动工件沿通道轴向成螺旋线状移动;所述的抛光装置的抛光轮从工件侧上方进给。该装置生产速度快,质量高,能够代替手工劳动生产方式,且劳动强度降低,生产成本低,节能环保,设备结构合理,适应性强,安全可靠。


