授权公布号:CN204189099U
一种一体机的PCI-E设备转接装置
失效
申请
2014-09-24
申请公布
1970-01-01
授权
2015-03-04
预估到期
2024-09-24
| 申请号 | CN201420552245.0 |
| 申请日 | 2014-09-24 |
| 授权公布号 | CN204189099U |
| 授权公告日 | 2015-03-04 |
| 分类号 | G06F1/18;G06F1/20 |
| 分类 | 计算;推算;计数; |
| 申请人名称 | 深圳市七彩虹科技发展有限公司 |
| 申请人地址 | 广东省深圳市福田区福华一路88号中心商务大厦13楼1206 |
专利法律状态
2023-10-10
专利权的终止
状态信息
未缴年费专利权终止;IPC(主分类):G06F1/18;专利号:ZL2014205522450;申请日:20140924;授权公告日:20150304;终止日期:
2015-03-04
授权
状态信息
授权
摘要
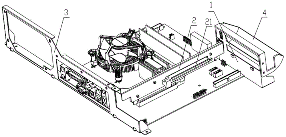
本实用新型提供一种一体机的PCI-E设备转接装置,包括:PCI-E支架、PCI-E转接卡和I/O支架,所述PCI-E支架和I/O支架分别固定于一体机机壳的内部,所述PCI-E转接卡固定设置于PCI-E支架和I/O支架之间,所述PCI-E转接卡上设置有与一体机机壳相平行的PCI-E转接头,PCI-E设备通过PCI-E转接头平行设置于一体机的主板上方。本实用新型通过PCI-E转接卡PCI-E设备平行设置于一体机的主板上方,大大减小了一体机拓展PCI-E设备时的厚度,并通过PCI-E导风罩将PCI-E设备的热量排出,很好地解决了散热的问题。


