授权公布号:CN111276795B
多段可调式智能天线
有效
申请
2018-12-05
申请公布
2020-06-12
授权
2022-06-03
预估到期
2038-12-05
| 申请号 | CN201811479249.X |
| 申请日 | 2018-12-05 |
| 申请公布号 | CN111276795A |
| 申请公布日 | 2020-06-12 |
| 授权公布号 | CN111276795B |
| 授权公告日 | 2022-06-03 |
| 分类号 | H01Q1/36;H01Q1/48;H01Q3/24;H01Q3/00 |
| 分类 | 基本电气元件; |
| 申请人名称 | 国巨电子(中国)有限公司 |
| 申请人地址 | 江苏省苏州市新区竹园路10号 |
专利法律状态
2022-06-03
授权
状态信息
授权
2020-06-12
公布
状态信息
公布
摘要
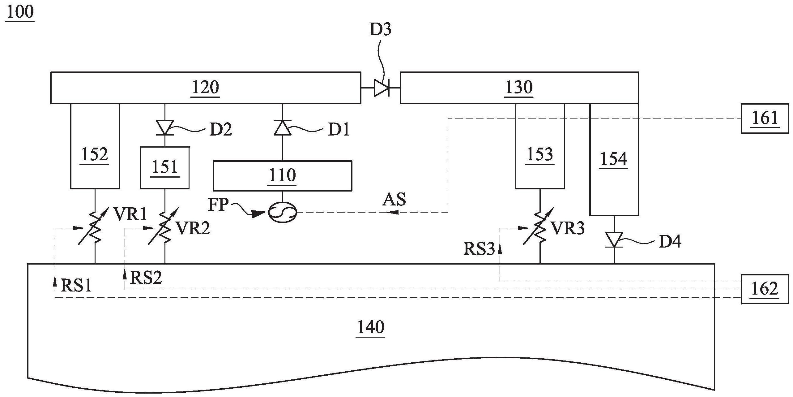
本发明提供一种多段可调式智能天线。此多段可调式智能天线包含接地部、第一至第三辐射体、第一连接体、第一至第四开关组件、第一至第三可变电阻、第一控制模块及第二控制模块。第一辐射体位于接地部与第二辐射体之间,且电性连接至信号馈入点。第一连接体设置于第二辐射体与接地部之间。上述开关组件和可变电阻分别电性连接于上述辐射体、第一连接体以及接地部之间。第一控制模块用以控制上述开关组件。第二控制模块用以调整上述可变电阻的阻值。借此,多段可调式智能天线可提供多种辐射场型。在一些实施例中,上述的第一至第三可变电阻也可以开关组件来替代。


