授权公布号:CN109073924B
具有静态绿原色减少滤光片的显示系统
有效
申请
2016-02-04
申请公布
2018-12-21
授权
2022-04-29
预估到期
2036-02-04
| 申请号 | CN201680084417.8 |
| 申请日 | 2016-02-04 |
| 申请公布号 | CN109073924A |
| 申请公布日 | 2018-12-21 |
| 授权公布号 | CN109073924B |
| 授权公告日 | 2022-04-29 |
| 分类号 | G02F1/133 |
| 分类 | 光学; |
| 申请人名称 | 巴可伟视(北京)电子有限公司 |
| 申请人地址 | 北京市昌平区中关村科技园区昌平园昌盛路16号 |
专利法律状态
2022-04-29
授权
状态信息
授权
2018-12-21
公布
状态信息
公布
摘要
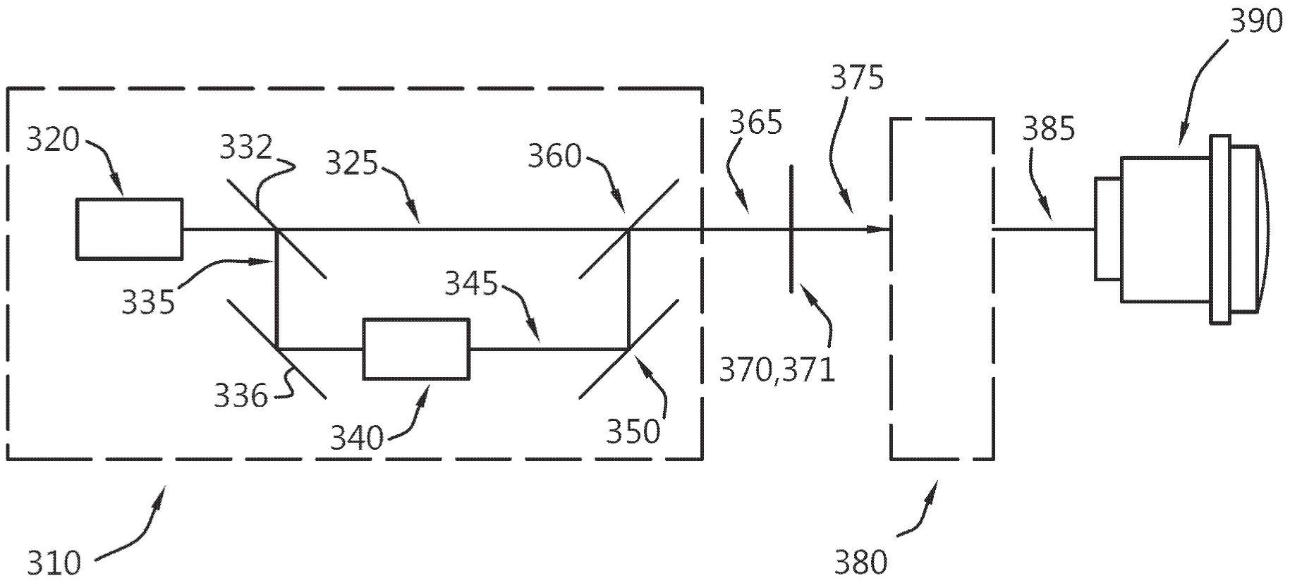
一种用于生成具有三原色的图像的投影系统,包括第一蓝色激光束和第二蓝色激光束(325、335),用于将所述第二蓝色光束(335)转换为具有至少包括第二波带和第三波带的波带的经转换的光束(345)的波长转换元件(340),用于组合该第一光束(325)和经转换的光束(345)的光束组合器(360),该组合产生白色光束(365),被放置在该白色光束(365)的光路中的陷波滤光片(370),以形成提供给成像模块(380)的至少包括第一波带、第二波带和第三波带的经修改的白色光束(375),其中静态波带减少滤光片(371)被进一步提供以用于改变该白色光束(365)的经透射的第二波带的波长,以便于调整投影仪白点移位。


