授权公布号:CN214921805U
中管与五通管自动焊接辅助装置
有效
申请
2021-03-09
申请公布
1970-01-01
授权
2021-11-30
预估到期
2031-03-09
| 申请号 | CN202120498802.5 |
| 申请日 | 2021-03-09 |
| 授权公布号 | CN214921805U |
| 授权公告日 | 2021-11-30 |
| 分类号 | B23K37/04;B23K37/047 |
| 分类 | 机床;不包含在其他类目中的金属加工; |
| 申请人名称 | 捷安特(中国)有限公司 |
| 申请人地址 | 江苏省苏州市昆山市经济技术开发区顺帆路1号 |
专利法律状态
2021-11-30
授权
状态信息
授权
摘要
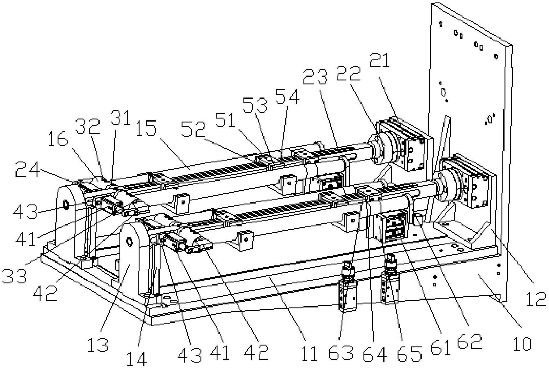
本实用新型涉及一种中管与五通管自动焊接辅助装置,包括底座和旋转机构,所述底座上固定设有底板,所述底板的两端分别固定安装第一固定座和第二固定座,所述旋转机构包括旋转气缸和支撑杆,所述旋转气缸安装于第一固定座上,所述支撑杆的一端连接于所述旋转气缸,另一端可转动地设于所述第二固定座上,所述五通管支撑机构用于支撑五通管,所述五通管压紧机构用于将五通管压紧固定,所述中管支撑机构用于支撑中管,所述中管压紧机构用于将中管压紧并使中管与五通管的待焊接处相互贴合。本实用新型能够自动完成中管和五通管的焊接,大大提高了中管和五通管的焊接效率和焊接的品质。


