授权公布号:CN215395392U
一种粉条生产用的压断切割设备
有效
申请
2021-03-30
申请公布
1970-01-01
授权
2022-01-04
预估到期
2031-03-30
| 申请号 | CN202120639338.7 |
| 申请日 | 2021-03-30 |
| 授权公布号 | CN215395392U |
| 授权公告日 | 2022-01-04 |
| 分类号 | B26D1/08;B26D5/12;B26D7/02;B26D7/06 |
| 分类 | 手动切割工具;切割;切断; |
| 申请人名称 | 兴文县金鹅粉业有限责任公司 |
| 申请人地址 | 四川省宜宾市兴文县太平镇工业园区(兴文县太平镇顺龙大道29号) |
专利法律状态
2022-01-04
授权
状态信息
授权
摘要
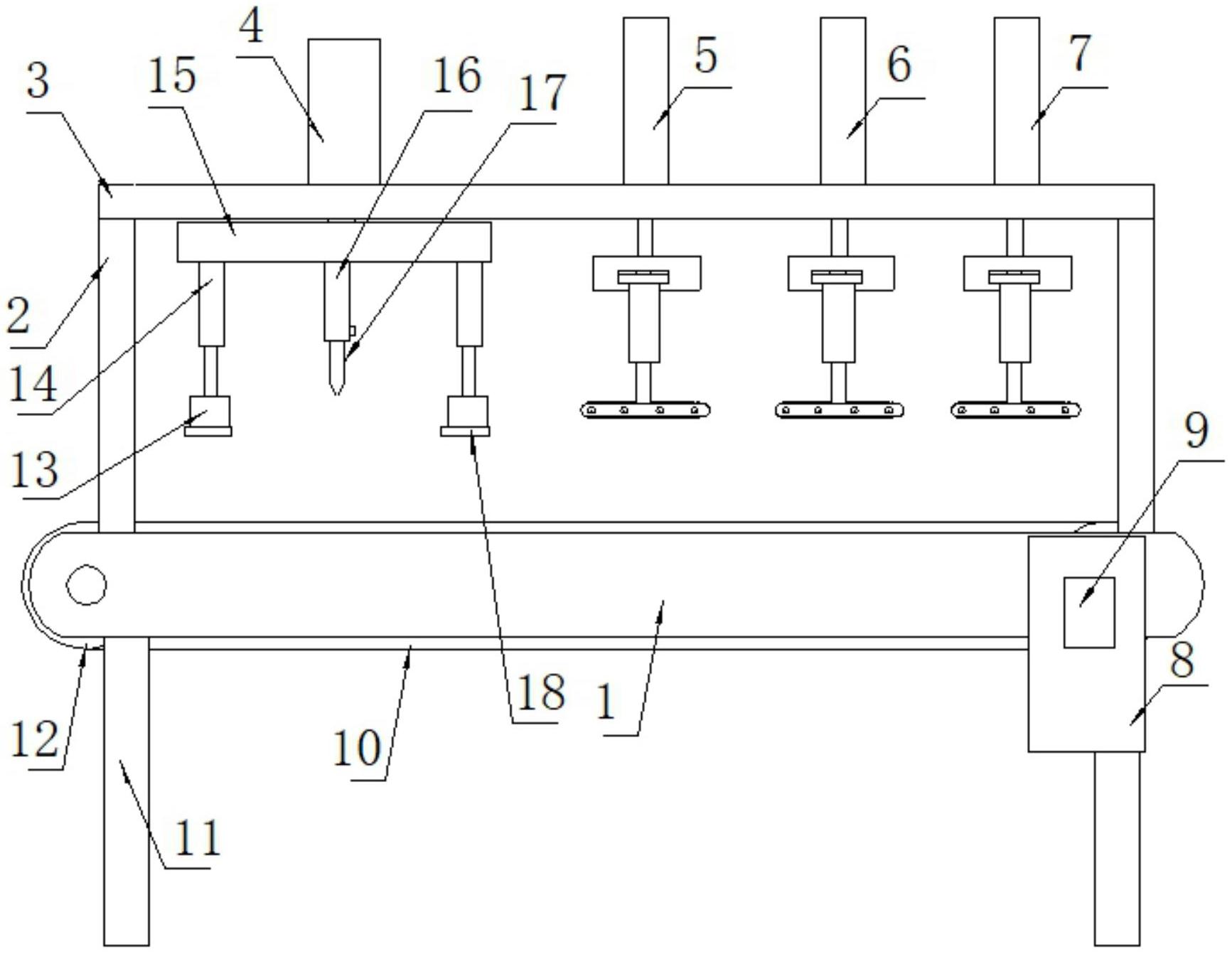
本实用新型公开了一种粉条生产用的压断切割设备,包括输送滚筒架、支杆、顶部承载架、切断气缸、末端压平气缸、中间压平气缸和首端压平气缸组成,所述输送滚筒架上通过滚筒轴滚动安装有输送滚筒,所述输送滚筒上连接安装有输送带,所述输送滚筒架还通过所述支杆支撑安装有所述顶部承载架,所述顶部承载架自左到右依次安装有所述切断气缸、所述末端压平气缸、所述中间压平气缸和所述首端压平气缸,所述末端压平气缸、所述中间压平气缸和所述首端压平气缸的底部均连接安装有压平滚动组件。有益效果在于:该粉条生产用的压断切割设备通过三个轮组进行等压力压平,压力可控,防止压手,对干粉条有良好的限位作用,便于后续的切断作业。


