授权公布号:CN115402997B
一种口服溶液剂生产用灌装装置及生产工艺
有效
申请
2022-11-02
申请公布
2022-11-29
授权
2023-02-10
预估到期
2042-11-02
| 申请号 | CN202211363874.4 |
| 申请日 | 2022-11-02 |
| 申请公布号 | CN115402997A |
| 申请公布日 | 2022-11-29 |
| 授权公布号 | CN115402997B |
| 授权公告日 | 2023-02-10 |
| 分类号 | B67C7/00;B67C3/22;B67C3/26;B67B3/20 |
| 分类 | 开启或封闭瓶子、罐或类似的容器;液体的贮运; |
| 申请人名称 | 澳诺(中国)制药有限公司 |
| 申请人地址 | 河北省保定市翠园街1099号 |
专利法律状态
2023-02-10
授权
状态信息
授权
2022-11-29
公布
状态信息
公布
摘要
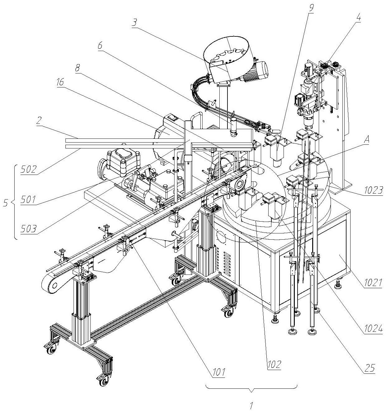
本发明涉及口服溶液剂灌装技术领域,提出了一种口服溶液剂生产用灌装装置及生产工艺,上料机构包括输送组件和转动组件,输送组件用于将瓶子输送到转动组件上,灌装装置、上盖装置和拧盖装置围绕转动组件间隔设置,转动组件包括机架、第一驱动件、转盘和盛放件,第一驱动件用于驱动转盘转动,还包括消毒机构、升降件、第二驱动件和换向盘,消毒机构包括蒸汽组件、烘干组件和支架,支架用于支撑蒸汽组件和烘干组件的管道;第二驱动件用于驱动换向盘转动,蒸汽组件和烘干组件的输出端位于换向盘上,蒸汽组件和烘干组件分别用于瓶子消毒和烘干。通过上述技术方案,解决了现有技术中口服溶液剂灌装瓶子消毒之后还可能会污染问题。


