授权公布号:CN216981995U
降低SDI输出信号抖动的电路
有效
申请
2021-11-19
申请公布
1970-01-01
授权
2022-07-15
预估到期
2031-11-19
| 申请号 | CN202122844342.X |
| 申请日 | 2021-11-19 |
| 授权公布号 | CN216981995U |
| 授权公告日 | 2022-07-15 |
| 分类号 | H04N5/268;H04N5/765 |
| 分类 | 电通信技术; |
| 申请人名称 | 杭州晨安科技股份有限公司 |
| 申请人地址 | 浙江省杭州市西湖区西湖科技园西园一路16号4幢4层 |
专利法律状态
2022-07-15
授权
状态信息
授权
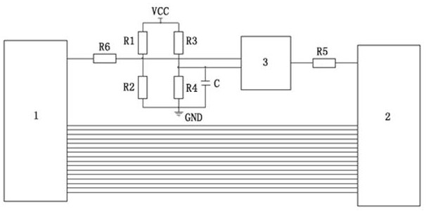
摘要
本实用新型提供一种降低SDI输出信号抖动的电路,SDI输出信号抖动低,符合SDI规范要求。视频处理器输出电路的时钟信号输出接口通过信号传输导线与时钟芯片的信号输入端连接,且在该信号传输导线上连接有端接电路;第一上拉电阻的一端与电源正极连接,另一端与所述的信号传输导线连接;第一下拉电阻的一端与电源负极连接,另一端与所述的信号传输导线连接;第二上拉电阻一端与电源正极连接,第二下拉电阻一端与电源负极连接;第二上拉电阻另一端与第二下拉电阻另一端连接后接至时钟芯片的时钟输入口;滤波电容与第二下拉电阻并联;时钟芯片的信号输出端与SDI发送电路的时钟信号接收接口连接。


