授权公布号:CN216956859U
基于飞腾平台的接口可扩展金融自助专用主板
有效
申请
2022-02-25
申请公布
1970-01-01
授权
2022-07-12
预估到期
2032-02-25
| 申请号 | CN202220404202.2 |
| 申请日 | 2022-02-25 |
| 授权公布号 | CN216956859U |
| 授权公告日 | 2022-07-12 |
| 分类号 | G06F1/18;G06F13/38;G06F13/42 |
| 分类 | 计算;推算;计数; |
| 申请人名称 | 深圳市信步科技有限公司 |
| 申请人地址 | 广东省深圳市福田区深南西路泰然工业区210栋厂房4F、5H-2(仅限办公) |
专利法律状态
2022-07-12
授权
状态信息
授权
摘要
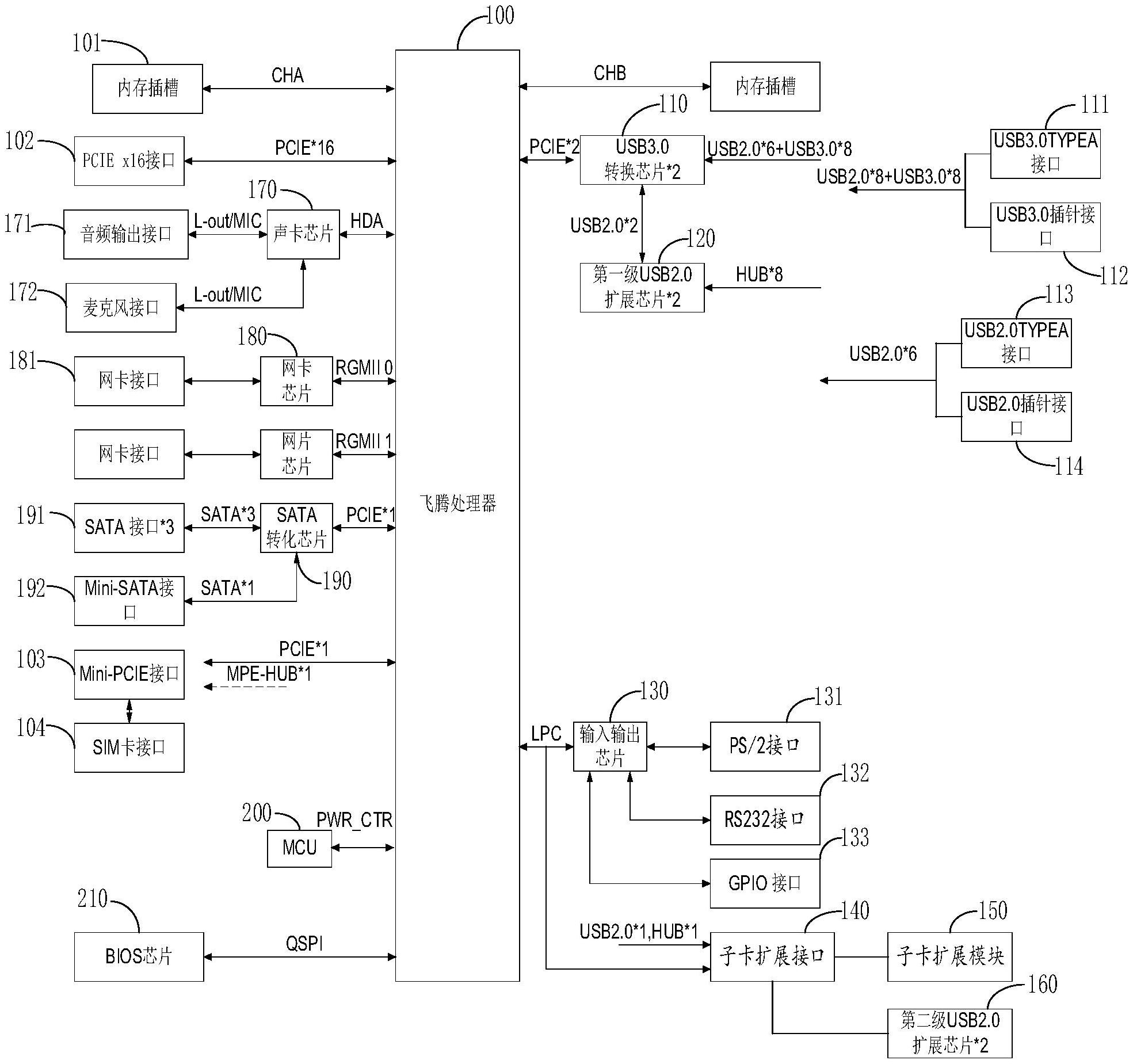
本实用新型公开基于飞腾平台的接口可扩展金融自助专用主板,该主板包括主板本体,包括主板本体上设有飞腾处理器、USB3.0转换芯片、第一级USB2.0扩展芯片、第二级USB2.0扩展芯片、输入输出芯片、子卡扩展接口、USB接口和串口;飞腾处理器与USB3.0转换芯片连接,第一级USB2.0扩展芯片与USB3.0转换芯片连接,USB接口分别与USB3.0转换芯片和第一级USB2.0扩展芯片连接;子卡扩展接口的输入端分别与第一级USB2.0扩展芯片和飞腾处理器连接,子卡扩展接口的输出端分别与USB接口和串口连接。本实用新型旨在增加串口和USB接口的数量以满足现代金融行业的需求。


