授权公布号:CN114220402B
一种改善闪屏的GIP电路及其方法
有效
申请
2021-09-29
申请公布
2022-03-22
授权
2023-06-27
预估到期
2041-09-29
| 申请号 | CN202111151547.8 |
| 申请日 | 2021-09-29 |
| 申请公布号 | CN114220402A |
| 申请公布日 | 2022-03-22 |
| 授权公布号 | CN114220402B |
| 授权公告日 | 2023-06-27 |
| 分类号 | G09G3/36 |
| 分类 | 教育;密码术;显示;广告;印鉴; |
| 申请人名称 | 华映科技(集团)股份有限公司 |
| 申请人地址 | 福建省福州市马尾区儒江西路6号 |
专利法律状态
2023-06-27
授权
状态信息
授权
2022-04-08
实质审查的生效
状态信息
实质审查的生效;IPC(主分类):G09G3/36;申请日:20210929
2022-03-22
公布
状态信息
公布
摘要
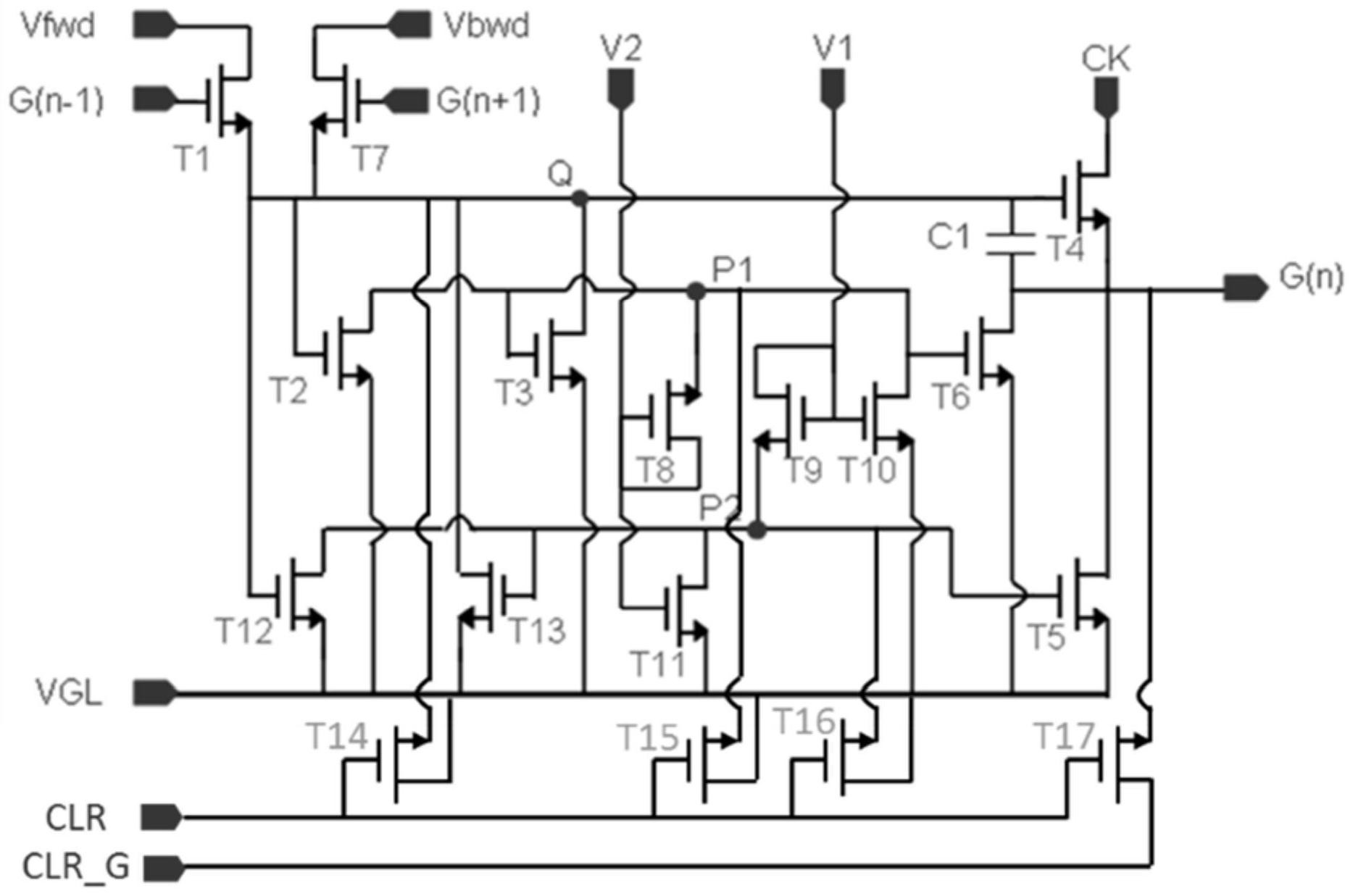
本发明公开一种改善闪屏的GIP电路及其方法,在17T1C的GIP电路中,由17个TFT作为开关和1个电容耦合作用构成,且将GIP电路的Gout,即T17的漏极连接CLR_G,且在每一帧画面空白时间CLR_G连接一个大小为0V的GND信号。在每一帧画面的空白时间单独给GIP电路的Gout一个单独的GND信号,GND信号为0V电压,使得栅极线G(n)输出为GND(0V),此时像素和扫描线间跨压为0V,无任何压差,达到无电荷残留,进而改善闪屏现象。


