授权公布号:CN220252813U
一种新型电路
有效
申请
2023-08-08
申请公布
1970-01-01
授权
2023-12-26
预估到期
2033-08-08
| 申请号 | CN202322115421.6 |
| 申请日 | 2023-08-08 |
| 授权公布号 | CN220252813U |
| 授权公告日 | 2023-12-26 |
| 分类号 | G09G3/36 |
| 分类 | 教育;密码术;显示;广告;印鉴; |
| 申请人名称 | 华映科技(集团)股份有限公司 |
| 申请人地址 | 福建省福州市马尾区儒江西路6号 |
专利法律状态
2023-12-26
授权
状态信息
授权
摘要
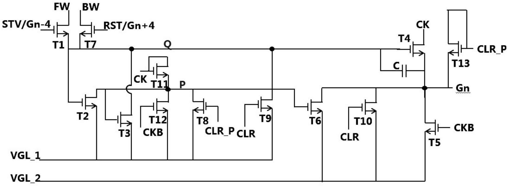
本实用新型显示器技术领域,提供一种新型电路,包括:晶体管T1、晶体管T2、晶体管T3、晶体管T4、晶体管T5、晶体管T6、晶体管T7、晶体管T8、晶体管T9、晶体管T10、晶体管T11、晶体管T12、晶体管T13与电容C;晶体管T3的栅极与P点连接,源极与Q点连接,漏极与VGL_1信号端连接;晶体管T6的栅极与P点连接,源极与Gn信号输出端连接,漏极与VGL_2信号端连接;VGL_1信号端的电压小于VGL_2信号端的电压。本实用新型的优点在于:满足GIP电路与画素TFT不同关闭准位的需要,改善画素TFT的放电能力,减少在显示面板信赖性测试中出现显示残影的现象。


