授权公布号:CN107425834B
电力线过零点调制电路
有效
申请
2017-06-26
申请公布
2017-12-01
授权
2023-07-07
预估到期
2037-06-26
| 申请号 | CN201710493513.4 |
| 申请日 | 2017-06-26 |
| 申请公布号 | CN107425834A |
| 申请公布日 | 2017-12-01 |
| 授权公布号 | CN107425834B |
| 授权公告日 | 2023-07-07 |
| 分类号 | H03K17/13;H03K17/72 |
| 分类 | 基本电子电路; |
| 申请人名称 | 青岛东软载波科技股份有限公司 |
| 申请人地址 | 山东省青岛市市北区上清路16号甲 |
专利法律状态
2023-07-07
授权
状态信息
授权
2017-12-26
实质审查的生效
状态信息
实质审查的生效;IPC(主分类):H03K17/13;申请日:20170626
2017-12-01
公布
状态信息
公布
摘要
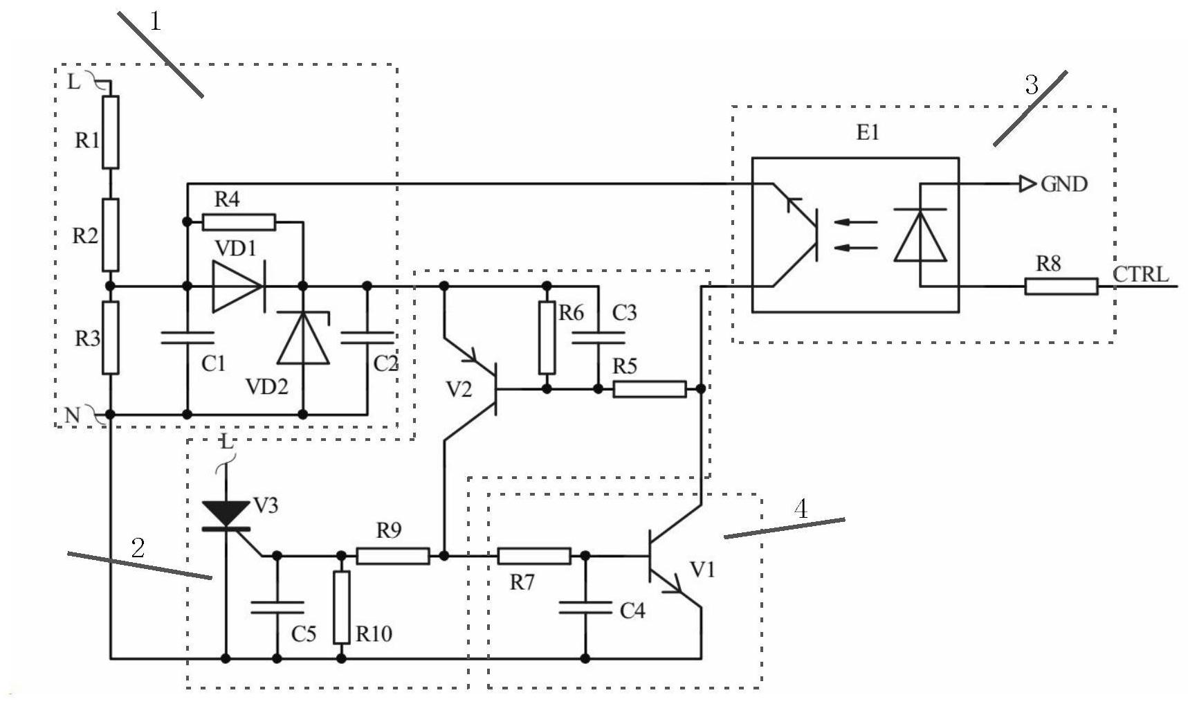
本发明公开了一种电力线过零点调制电路,属于电路技术领域。其包括辅助电源电路(1),可控硅触发电路(2),使能控制电路(3)和边沿加速电路(4);所述辅助电源电路(1)外部与火线L、零线N连接;所述辅助电源电路(1)与可控硅触发电路(2)和使能控制电路(3)连接;所述边沿加速电路(4)与可控硅触发电路(2)连接;所述可控硅触发电路(2)外部与火线L连接。其自带辅助电源、功耗低、精度高、抗干扰能力强,并且,能够实现强弱电隔离。


