授权公布号:CN106293188B
一种触控面板
有效
申请
2015-06-10
申请公布
2017-01-04
授权
2023-10-24
预估到期
2035-06-10
| 申请号 | CN201510314153.8 |
| 申请日 | 2015-06-10 |
| 申请公布号 | CN106293188A |
| 申请公布日 | 2017-01-04 |
| 授权公布号 | CN106293188B |
| 授权公告日 | 2023-10-24 |
| 分类号 | G06F3/041 |
| 分类 | 计算;推算;计数; |
| 申请人名称 | 宸鸿科技(厦门)有限公司 |
| 申请人地址 | 福建省厦门市厦门火炬高新区信息光电园坂尚路199号 |
专利法律状态
2023-10-24
授权
状态信息
授权
2017-01-04
公布
状态信息
公布
摘要
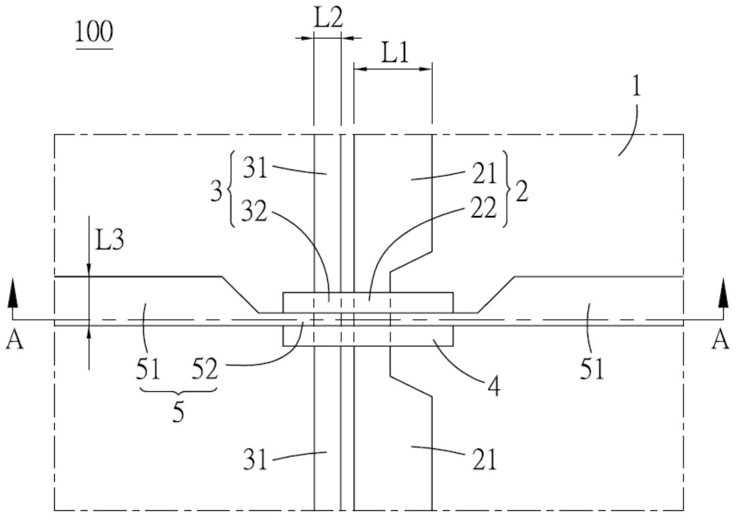
本发明公开了一种触控面板,包含一基材、一第一触控感测电极、一第一绝缘结构、一第二触控感测电极及一第一压力感测电极。第一触控感测电极设置于基材,并沿一第一方向延伸。第一绝缘结构设置于基材,并覆盖第一触控感测电极的部分。第二触控感测电极设置于基材,并沿一第二方向延伸。第二触控感测电极通过第一绝缘结构及第一触控感测电极,并且电性绝缘地与第一触控感测电极相互交错。第一压力感测电极设置于该基材,并沿一第三方向延伸。第一压力感测电极通过第一绝缘结构,并且交错于第一触控感测电极与第二触控感测电极的至少其中一者。藉此,本发明可以防止触控面板在执行触控感应或按压压力值感应时相互影响,从而保证触控感应与压力值感应的精确度。


