授权公布号:CN220432630U
一种玻璃薄化用送料装置
有效
申请
2023-03-14
申请公布
1970-01-01
授权
2024-02-02
预估到期
2033-03-14
| 申请号 | CN202320483827.7 |
| 申请日 | 2023-03-14 |
| 授权公布号 | CN220432630U |
| 授权公告日 | 2024-02-02 |
| 分类号 | C03B35/00 |
| 分类 | 玻璃;矿棉或渣棉; |
| 申请人名称 | 芜湖长信科技股份有限公司 |
| 申请人地址 | 安徽省芜湖市中国(安徽)自由贸易试验区芜湖片区汽经二路以东 |
专利法律状态
2024-02-02
授权
状态信息
授权
摘要
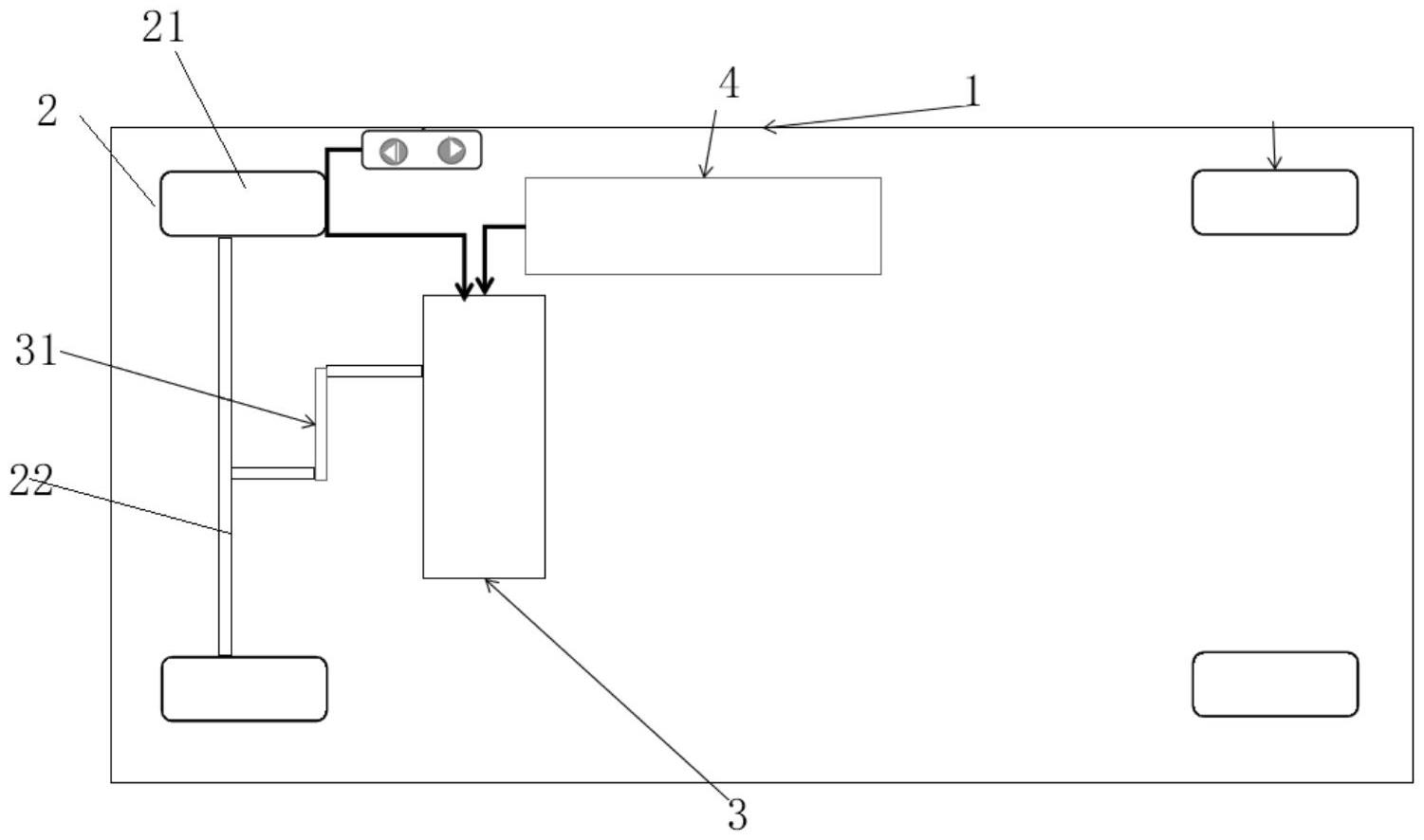
本实用新型涉及送料设备领域,具体来说是一种玻璃薄化用送料装置,包括送料车,所述送料车上设有滚动机构以及驱动机构;所述滚动机构包括两个设置在送料车下方的滚动部件,所述滚动部件包括两个相对间隔分布的滚动轮,每个所述滚动部件中的两个滚动轮通过转轴相连接,所述转轴连接有驱动机构;所述驱动机构包括驱动电机,所述驱动电机连接有供能部;所述驱动电机通过传动机构与转轴相连接;本实用新型公开了一种玻璃薄化用送料装置,本实用新型通过送料车、滚动机构以及驱动机构的使用,可以实现薄化工装的装载以及后续转运,降低了人力的使用,极大的提高了转运时的效率和安全性。


