授权公布号:CN212124181U
一种证件塑封机
有效
申请
2020-03-30
申请公布
1970-01-01
授权
2020-12-11
预估到期
2030-03-30
| 申请号 | CN202020452499.0 |
| 申请日 | 2020-03-30 |
| 授权公布号 | CN212124181U |
| 授权公告日 | 2020-12-11 |
| 分类号 | B29C63/02 |
| 分类 | 塑料的加工;一般处于塑性状态物质的加工; |
| 申请人名称 | 浙江焕达实业有限公司 |
| 申请人地址 | 浙江省温州市永嘉县瓯北镇堡一工业区 |
专利法律状态
2020-12-11
授权
状态信息
授权
摘要
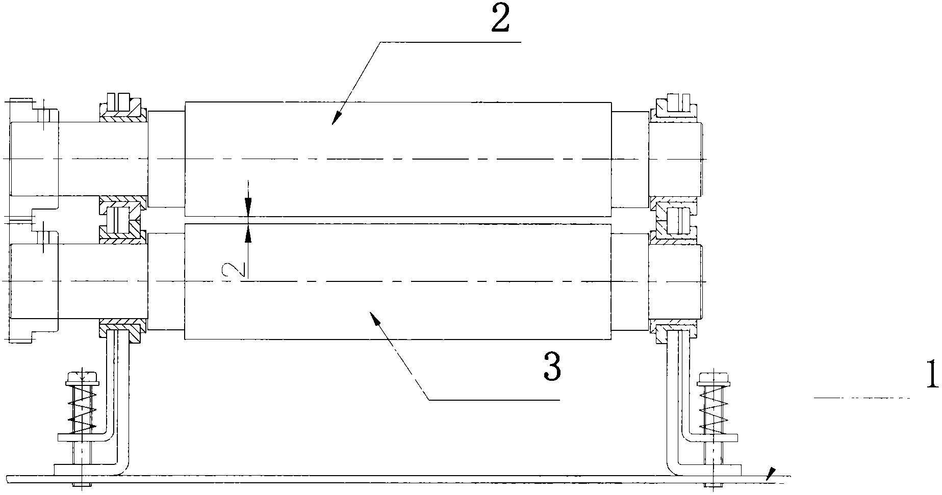
本实用新型涉及一种塑封机,特别涉及一种证件塑封机。其结构包括支架,所述的支架上方分别架设有上胶辊和下胶辊,上胶辊和下胶辊之间留有不小于2mm的缝隙,所述的支架上固定有主动齿轮,所述的主动齿轮一侧啮合所述的下胶辊的转动齿轮,另一侧通过过渡齿轮啮合所述的上胶辊的转动齿轮,且所述的过渡齿轮的转动轴与主动齿轮的转动轴之间设置有连杆。本实用新型的一种证件塑封机,其改变了塑封机的机械结构和传动系统,保证机器在塑封厚的证件时有良好的塑封效果,又能运行平稳。


