授权公布号:CN208956882U
一种用于黑茶冷却线的拐弯输送装置
有效
申请
2018-05-25
申请公布
1970-01-01
授权
2019-06-11
预估到期
2028-05-25
| 申请号 | CN201820795127.0 |
| 申请日 | 2018-05-25 |
| 授权公布号 | CN208956882U |
| 授权公告日 | 2019-06-11 |
| 分类号 | A23F3/06 |
| 分类 | 其他类不包含的食品或食料;及其处理; |
| 申请人名称 | 益阳茶厂有限公司 |
| 申请人地址 | 湖南省益阳市赫山区龙岭工业园 |
专利法律状态
2019-06-11
授权
状态信息
授权
摘要
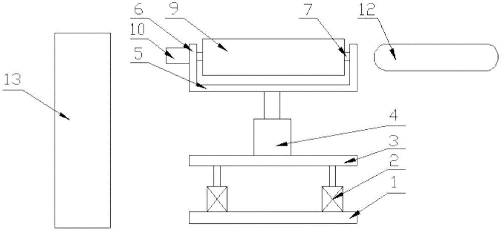
本实用新型公开了一种用于黑茶冷却线的拐弯输送装置,包括底座,底座顶部安装有气缸,气缸的活塞杆上安装有第一支撑板,第一支撑板顶部安装有第一电机,第一电机的输出轴上安装有第二支撑板,第二支撑板两侧均安装有侧板,两块侧板之间铰接有主动辊与从动辊,主动辊与从动辊上设有输送带,主动辊与第二电机的输出轴连接,结构简单,设计合理,可方便将第一输送线上茶叶模子拐弯输送至第二输送线上,避免了人工搬运,节约了大量的劳动力。


