授权公布号:CN216753477U
一种食品生产用瓜子仁裹粉装置
有效
申请
2021-12-08
申请公布
1970-01-01
授权
2022-06-17
预估到期
2031-12-08
| 申请号 | CN202123060587.X |
| 申请日 | 2021-12-08 |
| 授权公布号 | CN216753477U |
| 授权公告日 | 2022-06-17 |
| 分类号 | A23L25/00;A23P20/12 |
| 分类 | 其他类不包含的食品或食料;及其处理; |
| 申请人名称 | 甘源食品股份有限公司 |
| 申请人地址 | 江西省萍乡市萍乡经济技术开发区清泉生物医药食品工业园 |
专利法律状态
2022-06-17
授权
状态信息
授权
摘要
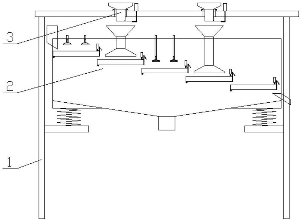
本实用新型公开了一种食品生产用瓜子仁裹粉装置,包括有支架,所述支架上设置有裹粉装置和至少一个定量投放装置,所述裹粉装置包括有裹粉箱和设置在裹粉箱的振动电机,所述裹粉箱两端分别设置有出料斗和进料斗,所述裹粉箱底部设置有若干个弹簧和出粉口,所述弹簧固定在支架上,所述裹粉箱顶部设置有至少一个与定量投放装置配合的投粉装置和若干个喷液装置,所述裹粉箱内设置有裹粉盒组,所述裹粉盒进料端设置在进料斗下方,所述裹粉盒组出料端设置在出料斗上方;本实用新型的一种食品生产用瓜子仁裹粉装置,其结构简单、方便实用通过多次上浆与裹粉,使得瓜子仁裹粉厚度得到控制,便于后续工序加工,同时降低粉料结团的现象。


