授权公布号:CN104165731B
集热器流道卧式自动试压机
有效
申请
2014-08-07
申请公布
2014-11-26
授权
2016-10-19
预估到期
2034-08-07
| 申请号 | CN201410386204.3 |
| 申请日 | 2014-08-07 |
| 申请公布号 | CN104165731A |
| 申请公布日 | 2014-11-26 |
| 授权公布号 | CN104165731B |
| 授权公告日 | 2016-10-19 |
| 分类号 | G01M3/02;G01M3/28 |
| 分类 | 测量;测试; |
| 申请人名称 | 广东五星太阳能股份有限公司 |
| 申请人地址 | 广东省东莞市万江流涌尾管理区 |
专利法律状态
2016-10-19
授权
状态信息
授权
2014-12-24
实质审查的生效
状态信息
实质审查的生效IPC(主分类):G01M 3/02申请日:20140807
2014-11-26
公布
状态信息
公开
摘要
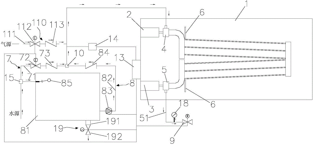
本发明公开了一种集热器流道卧式自动试压机,包括支架,支架上装设进水接头、出水接头,进水接头和出水接头分别与一驱动装置传动连接,进水接头的进水管路并联连通有注水系统和增压系统,出水接头的出水管路上装设有用于消除水锤的可缓慢关闭的阀门,还包括与进水接头的进水管路相连通的排水增压系统。注水阶段能同时通过注水系统和增压系统向集热器流道注水,大大缩短了注水的时间,还能将集热器流道的空气彻底排出,消除在集热器流道内产生窝气的问题,能大幅提高集热器流道卧式试压设备的工作效率及试压检漏的可靠性。


