授权公布号:CN210149636U
一种塑袋供给装置
有效
申请
2019-05-15
申请公布
1970-01-01
授权
2020-03-17
预估到期
2029-05-15
| 申请号 | CN201920697238.2 |
| 申请日 | 2019-05-15 |
| 授权公布号 | CN210149636U |
| 授权公告日 | 2020-03-17 |
| 分类号 | B65B25/00;B65B43/30;B65B43/18 |
| 分类 | 输送;包装;贮存;搬运薄的或细丝状材料; |
| 申请人名称 | 南京桂花鸭(集团)有限公司 |
| 申请人地址 | 江苏省南京市江宁滨江经济技术开发区盛安大道718号 |
专利法律状态
2020-03-17
授权
状态信息
授权
摘要
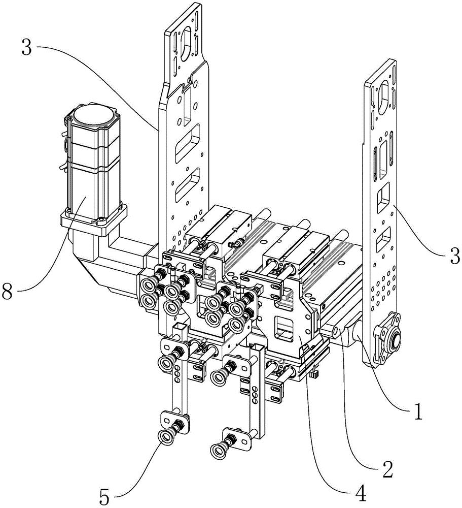
本实用新型提供了一种塑袋供给装置,包括:吸袋主板,其上安装有主固定板,且在主固定板上至少设置两组平行设置的吸取机构,所述吸袋主板的两端设置有竖支撑板,所述吸袋主板与端部的竖支撑板滑动连接且吸袋主板的一端与驱动装置一相连,在驱动装置一的驱动下,吸袋主板进行旋转;吸取机构,包括驱动装置二、安装板和吸盘,所述驱动装置与安装板连接,所述安装板垂直设置且两端通过驱动装置三分别连接有吸盘组件一和吸盘组件二,吸盘组件一和吸盘组件二上均设置有吸盘,在驱动装置三的驱动下,吸盘组件一和吸盘组件二可沿纵向进行伸缩。本实用新型具有操作便利,对塑料包装袋吸取效果好的特点。


