授权公布号:CN220229612U
一种空气源热泵系统
有效
申请
2023-05-08
申请公布
1970-01-01
授权
2023-12-22
预估到期
2033-05-08
| 申请号 | CN202321081070.5 |
| 申请日 | 2023-05-08 |
| 授权公布号 | CN220229612U |
| 授权公告日 | 2023-12-22 |
| 分类号 | F25B13/00;F25B43/00;F25B41/26;F25B41/34;F25B49/02 |
| 分类 | 制冷或冷却;加热和制冷的联合系统;热泵系统;冰的制造或储存;气体的液化或固化; |
| 申请人名称 | 日出东方控股股份有限公司 |
| 申请人地址 | 江苏省连云港市海宁工贸园 |
专利法律状态
2023-12-22
授权
状态信息
授权
摘要
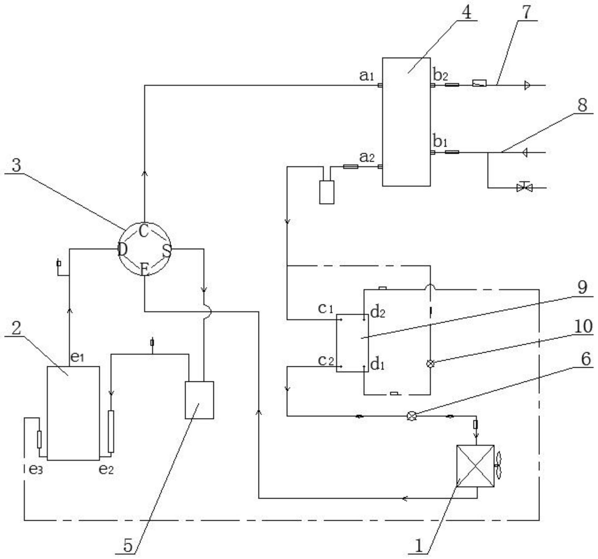
本实用新型公开了一种空气源热泵系统,包括风侧换热器、压缩机、气液分离器、制热换热器和水侧换热器和四通阀,所述四通阀设有D口、E口、C口、S口。所述压缩机出口e1与四通阀D口连通,四通阀C口与水侧换热器第一进口a1连通,制热换热器第一出口c2与风侧换热器进口之间的管路上设有低温电子膨胀阀,风侧换热器出口与四通阀E口相连,四通阀S口与气液分离器进口相连。本方案管路设计方案简单,低温电子膨胀阀流量随开度增大斜率陡增,既能满足低环温制热时小流量的需求,也能满足高环温时大流量的需求,特别是在制冷和除霜时,代替了现有技术中电子膨胀阀结合制冷毛细管的复杂结构。


