授权公布号:CN216301597U
一种输液外袋自动包装机充氮装置
有效
申请
2021-12-13
申请公布
1970-01-01
授权
2022-04-15
预估到期
2031-12-13
| 申请号 | CN202123122620.7 |
| 申请日 | 2021-12-13 |
| 授权公布号 | CN216301597U |
| 授权公告日 | 2022-04-15 |
| 分类号 | B65B31/06 |
| 分类 | 输送;包装;贮存;搬运薄的或细丝状材料; |
| 申请人名称 | 山东小康机械有限公司 |
| 申请人地址 | 山东省潍坊市诸城市密州东路7777号 |
专利法律状态
2022-04-15
授权
状态信息
授权
摘要
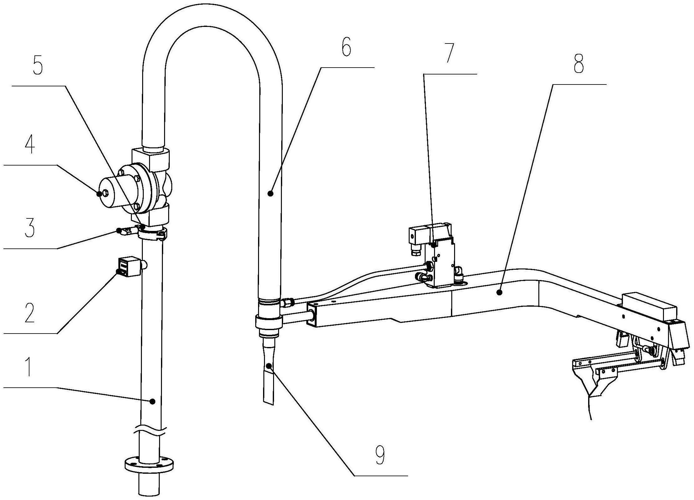
本实用新型公开了一种输液外袋自动包装机充氮装置,包括充放嘴和带动充放嘴摆动移动的摆臂总成,充放嘴固定在摆臂总成的末端,充氮控制总成固定在摆臂总成上,且通过连接管与充放嘴上端连通,充放嘴的上端通过倒U形的真空管道与真空截止阀的一端连通,真空截止阀的一端连通的另一端与真空立管上端连通,真空立管的下端用于接真空泵,真空立管上端设置有数显压力开关。本实用新型实现了医药行业输液袋机械自动化替代手工包装,大大提高了包装速度、节约了大批劳动力,精准控制及完善检测将残氧100%控制在1%以下。


