授权公布号:CN218928928U
一种用于竹木厨房餐具的UV印刷设备
有效
申请
2022-11-22
申请公布
1970-01-01
授权
2023-04-28
预估到期
2032-11-22
| 申请号 | CN202223103945.5 |
| 申请日 | 2022-11-22 |
| 授权公布号 | CN218928928U |
| 授权公告日 | 2023-04-28 |
| 分类号 | B41F17/00;B41F23/04;B41F22/00 |
| 分类 | 印刷;排版机;打字机;模印机〔4〕; |
| 申请人名称 | 浙江利众竹木有限公司 |
| 申请人地址 | 浙江省温州市泰顺县司前畲族镇洄澜东路159号 |
专利法律状态
2023-04-28
授权
状态信息
授权
摘要
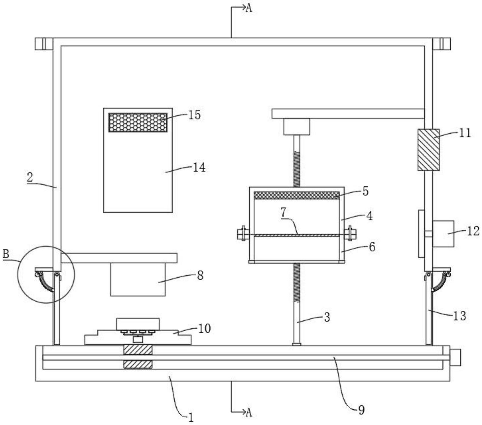
本实用新型涉及竹木厨房餐具技术领域,尤其是一种用于竹木厨房餐具的UV印刷设备,包括底座和壳体,所述底座内部转动连接有第二丝杆,所述第二丝杆外侧螺纹连接有支撑座,所述壳体内部一侧固定安装有印刷件,所述壳体内部另一侧固定安装有处理件,该用于竹木厨房餐具的UV印刷设备能够快速干燥,印刷效率高,值得推广。


