授权公布号:CN218108099U
一种药液自动输送系统
有效
申请
2022-06-17
申请公布
1970-01-01
授权
2022-12-23
预估到期
2032-06-17
| 申请号 | CN202221521263.3 |
| 申请日 | 2022-06-17 |
| 授权公布号 | CN218108099U |
| 授权公告日 | 2022-12-23 |
| 分类号 | B05B13/02;B05B12/08;B05B15/25;B05B15/00 |
| 分类 | 一般喷射或雾化;对表面涂覆液体或其他流体的一般方法〔2〕; |
| 申请人名称 | 河南舒莱卫生用品有限公司 |
| 申请人地址 | 河南省许昌市襄城县产业集聚区北二环路东段南侧 |
专利法律状态
2022-12-23
授权
状态信息
授权
摘要
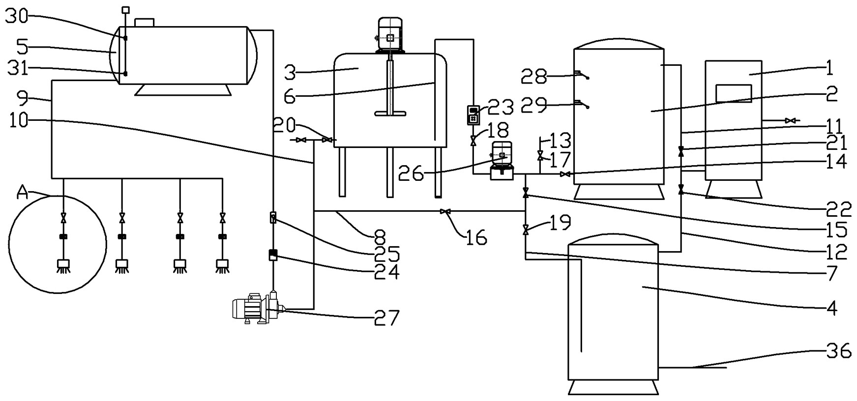
本实用新型涉及一种药液自动输送系统。该药液自动输送系统包括储水罐、搅拌罐、药液储罐、冷却罐、输送管线以及喷洒机构。输送管线包括第一输送管、第二输送管、第三输送管、第四输送管以及加药管,第一输送管的两端分别与储水罐、搅拌罐连通,加药管与第一输送管连通,第二输送管的一端与第一输送管连通、另一端伸入冷却罐内,第三输送管的两端分别与第二输送管、药液储罐连通,第四输送管的两端分别与药液储罐、喷洒机构连通,第一输送管上设有位于第二输送管与搅拌罐之间的双向输送泵,第三输送管上设有单向输送泵。相比于现有技术,本实用新型的药液自动输送系统自动化程度高,降低了工人劳动强度,提高了生产效率。


