授权公布号:CN204570234U
一种新型的纺品染色及烘干一体机
有效
申请
2015-04-14
申请公布
1970-01-01
授权
2015-08-19
预估到期
2025-04-14
| 申请号 | CN201520222321.6 |
| 申请日 | 2015-04-14 |
| 授权公布号 | CN204570234U |
| 授权公告日 | 2015-08-19 |
| 分类号 | D06B3/10;D06B23/22;D06B23/04;D06B15/00 |
| 分类 | 织物等的处理;洗涤;其他类不包括的柔性材料; |
| 申请人名称 | 上海小绵羊实业有限公司 |
| 申请人地址 | 上海市嘉定区南翔镇高科技园区惠亚路117号 |
专利法律状态
2015-08-19
授权
状态信息
授权
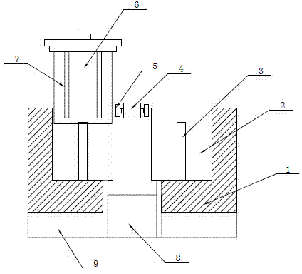
摘要
一种新型的纺品染色及烘干一体机,它涉及纺织机械设备技术领域。所述的一体机本体(1)的上端设置有一对印染池(2),印染池(2)的内部设置有加热棒(3),两印染池(2)中间上端设置有旋转驱动电机(4),旋转驱动电机(4)的两侧连接有齿轮(5),所述的印染池(2)的内部插接有纺品固定筒(6),纺品固定筒(6)的边缘与齿轮(5)啮合,纺品固定筒(6)的内部设置有数个固定棒(7),所述的印染池(2)的下端均设置有染料池(9),染料池(9)通过染料抽吸泵(8)连接到印染池(2)。它结构简单,设计巧妙,采用支架进行纺品固定,避免了堆叠的情况,将印染和烘干设备结合在一起,实现染色的高效率。


