授权公布号:CN110481379B
稳定型智能充电机
有效
申请
2019-05-15
申请公布
2019-11-22
授权
2024-03-12
预估到期
2039-05-15
| 申请号 | CN201910401547.5 |
| 申请日 | 2019-05-15 |
| 申请公布号 | CN110481379A |
| 申请公布日 | 2019-11-22 |
| 授权公布号 | CN110481379B |
| 授权公告日 | 2024-03-12 |
| 分类号 | B60L53/66;B60L58/12;B60L3/00;B60L50/64;B60L50/40 |
| 分类 | 一般车辆; |
| 申请人名称 | 苏州工业园区和顺电气股份有限公司 |
| 申请人地址 | 江苏省苏州市工业园区和顺路8号 |
专利法律状态
2024-03-12
授权
状态信息
授权
2019-12-17
实质审查的生效
状态信息
实质审查的生效;IPC(主分类):B60L53/66;申请日:20190515
2019-11-22
公布
状态信息
公布
摘要
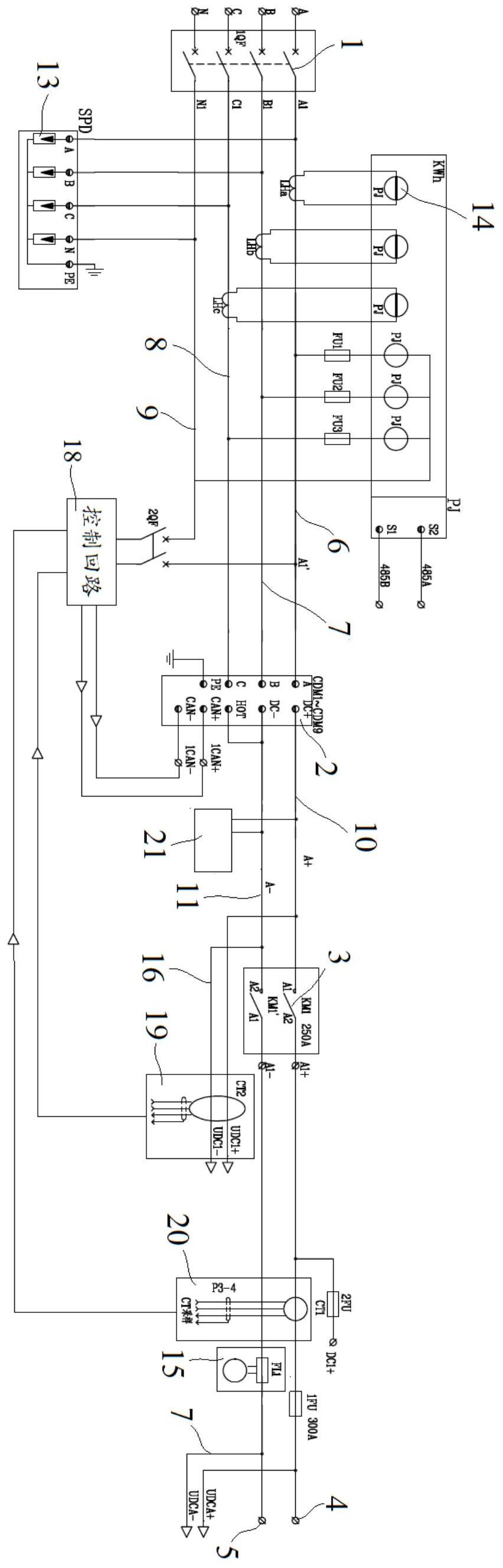
本发明公开一种稳定型智能充电机,包括断路器、电源装置、直流接触器、用于连接充电枪的充电正极端和充电负极端,所述A1线、B1线和C1线上分别安装有一交流电表,所述充电负极端与直流接触器之间的负极总线上安装有一直流电表,所述A1线和N1线之间跨接有一控制回路,控制回路根据来自电压采样单元和电流采样单元的电压和电流值,控制电源装置,所述正极总线和负极总线之间还跨接有一检测装置,所述检测装置进一步包括电源、与电源串联的继电器、电压采样器和控制单元,所述控制单元根据来自电压采样器的电压值,控制继电器的通断。本发明避免了电源模块的电容器与汽车电池直接并联导致冲击电流过大而产生故障的情况,保证了对汽车充电的安全性和稳定性。


