授权公布号:CN218610467U
一种食盐色选机
有效
申请
2022-11-23
申请公布
1970-01-01
授权
2023-03-14
预估到期
2032-11-23
| 申请号 | CN202223114650.8 |
| 申请日 | 2022-11-23 |
| 授权公布号 | CN218610467U |
| 授权公告日 | 2023-03-14 |
| 分类号 | B07C5/02;B07C5/342 |
| 分类 | 将固体从固体中分离;分选; |
| 申请人名称 | 浙江绿海制盐有限责任公司 |
| 申请人地址 | 浙江省舟山市岱山县经济开发区徐福大道246号 |
专利法律状态
2023-03-14
授权
状态信息
授权
摘要
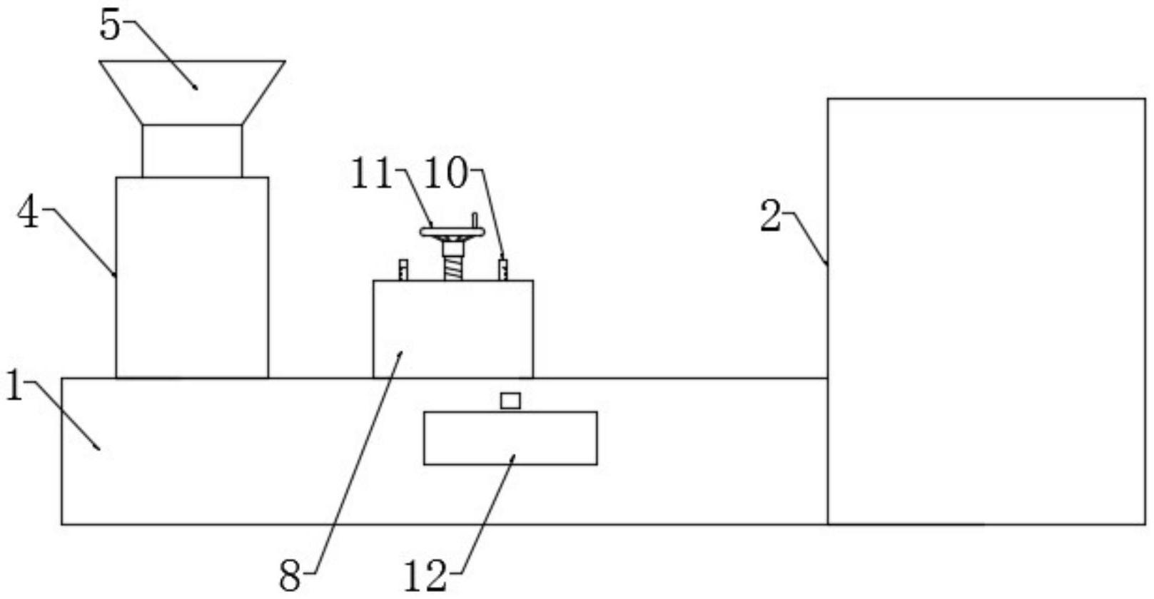
本实用新型公开了一种食盐色选机,涉及到色选机领域,包括下料机构、输送带,阻挡机构和分选装置,输送带的输出端与分选装置连接,下料机构设置在输送带的上侧远离分选装置的一端,阻挡机构设置在输送带的上侧中部,输送带的前侧侧板表面开设有出料口,出料口与阻挡机构中的挡板对齐;下料机构包括两个支撑板,下料仓、下料圆柱和旋转组件,两个支撑板分别固定设置在输送带的前后两个侧板上端,下料仓固定设置在两个支撑板之间,下料圆柱纵向设置在下料仓的内部下方下料口位置。本实用新型能够使下料仓中的食盐持续向输送带上进行上料,且每次输送的食盐量较少,不易堆积,便于提高后续对食盐的分选效果。


