授权公布号:CN113422402B
电池装置及其供电系统
有效
申请
2021-05-27
申请公布
2021-09-21
授权
2023-06-06
预估到期
2041-05-27
| 申请号 | CN202110585545.3 |
| 申请日 | 2021-05-27 |
| 申请公布号 | CN113422402A |
| 申请公布日 | 2021-09-21 |
| 授权公布号 | CN113422402B |
| 授权公告日 | 2023-06-06 |
| 分类号 | H02J7/00;H02J3/34;H02J9/06;H01M10/42;H01M10/44 |
| 分类 | 发电、变电或配电; |
| 申请人名称 | 科华数据股份有限公司 |
| 申请人地址 | 福建省厦门市火炬高新区火炬园马垄路457号 |
专利法律状态
2023-06-06
授权
状态信息
授权
2021-10-12
实质审查的生效
状态信息
实质审查的生效;IPC(主分类):H02J7/00;申请日:20210527
2021-09-21
公布
状态信息
公布
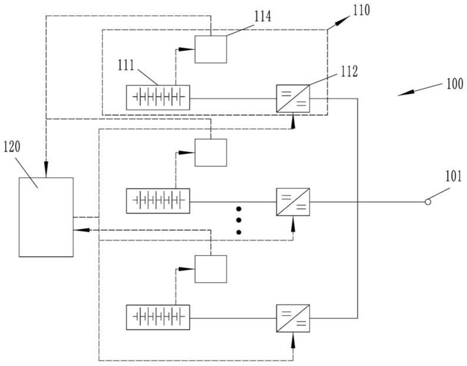
摘要
本发明提供了电池装置及其供电系统。电池装置包括若干电池模组和第一DC/DC变换器;电池模组若干彼此串接的电芯单元,至少一个电池模组的SOH不同于其他电池模组;每一第一DC/DC变换器的第一侧均连接对应的电池模组,各第一DC/DC变换器的第二侧彼此并接于一公共端,该公共端构成电池装置的外连接端;各第一DC/DC变换器分别用于实现对应电池模组与所述外连接端间的电压变换。供电系统应用了上述的电池装置,适于扩容且具有较好的人员安全性。此外,电池装置对每一电池模组均配置了DC/DC变换器,从而可以混用SOH不同的电池模组且不会出现环流现象,还适于对各SOH不同的电池模组进行不同的充放电管理以满足电池装置的多样化管理需求。


