授权公布号:CN209913508U
一种微电网分层协调控制装置
有效
申请
2019-07-08
申请公布
1970-01-01
授权
2020-01-07
预估到期
2029-07-08
| 申请号 | CN201921061664.3 |
| 申请日 | 2019-07-08 |
| 授权公布号 | CN209913508U |
| 授权公告日 | 2020-01-07 |
| 分类号 | H02J3/32;H02J3/38;H02J3/26;H02J9/06;H02J9/08 |
| 分类 | 发电、变电或配电; |
| 申请人名称 | 湖北追日电气股份有限公司 |
| 申请人地址 | 湖北省襄阳市高新技术开发区团山镇关羽路59号 |
专利法律状态
2023-05-26
专利权人的姓名或者名称、地址的变更
状态信息
专利权人的姓名或者名称、地址的变更;IPC(主分类):H02J3/32;变更事项:专利权人;变更前:湖北追日新能源技术有限公司;变更后:博格华纳新能源(襄阳)有限公司;变更事项:地址;变更前:441000 湖北省襄阳市高新技术开发区团山镇关羽路59号;变更后:441000 湖北省襄阳市高新技术开发区团山镇关羽路59号
2022-11-29
专利申请权、专利权的转移
状态信息
专利权的转移;IPC(主分类):H02J3/32;登记生效日:20221116;变更事项:专利权人;变更前:湖北追日电气股份有限公司;变更后:湖北追日新能源技术有限公司;变更事项:地址;变更前:441000 湖北省襄阳市樊城区高新技术产业开发区关羽路59号;变更后:441000 湖北省襄阳市高新技术开发区团山镇关羽路59号
2020-01-07
授权
状态信息
授权
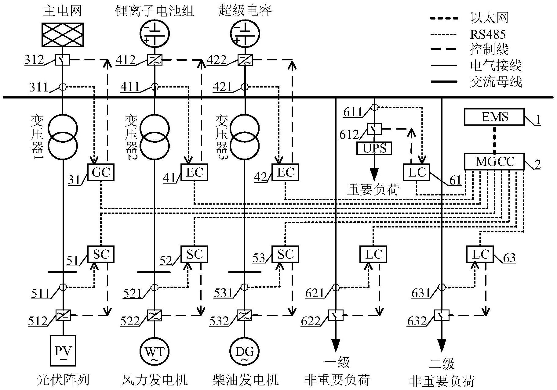
摘要
本实用新型微电网领域,特别涉及一种微电网分层协调控制装置。本实用新型的分层协调控制装置包括集中控制层和就地控制层,集中控制层包括能量管理系统和微电网中央控制器,就地控制层包括本地控制器和本地受控装置,本地控制器包括并网控制器、能量控制器、电源控制器和负荷控制器,本地受控装置包括混合储能系统、混合发电系统、并网开关、第一交流接触器、第二交流接触器、第三交流接触器和多级可控可投切负荷。能量管理系统与微电网中央控制器通过以太网通信连接,微电网中央控制器作为中心节点和本地控制器通过RS485星型拓扑通信结构连接。本实用新型的分层控制装置能对微电网进行集中式协调控制,提高微电网运行稳定性,提高能量存储系统和可再生能源经济利用率。


