授权公布号:CN107733414B
一种串联可控硅驱动电路
有效
申请
2017-08-09
申请公布
2018-02-23
授权
2021-04-23
预估到期
2037-08-09
| 申请号 | CN201710676856.4 |
| 申请日 | 2017-08-09 |
| 申请公布号 | CN107733414A |
| 申请公布日 | 2018-02-23 |
| 授权公布号 | CN107733414B |
| 授权公告日 | 2021-04-23 |
| 分类号 | H03K17/723 |
| 分类 | 基本电子电路; |
| 申请人名称 | 湖北追日电气股份有限公司 |
| 申请人地址 | 湖北省襄阳市高新技术开发区团山镇关羽路59号 |
专利法律状态
2023-05-26
专利权人的姓名或者名称、地址的变更
状态信息
专利权人的姓名或者名称、地址的变更;IPC(主分类):H03K17/723;变更事项:专利权人;变更前:湖北追日新能源技术有限公司;变更后:博格华纳新能源(襄阳)有限公司;变更事项:地址;变更前:441000 湖北省襄阳市高新技术开发区团山镇关羽路59号;变更后:441000 湖北省襄阳市高新技术开发区团山镇关羽路59号
2022-12-09
专利申请权、专利权的转移
状态信息
专利权的转移;IPC(主分类):H03K17/723;登记生效日:20221128;变更事项:专利权人;变更前:湖北追日电气股份有限公司;变更后:湖北追日新能源技术有限公司;变更事项:地址;变更前:441104 湖北省武汉市襄阳市高新技术产业开发区追日路1号;变更后:441000 湖北省襄阳市高新技术开发区团山镇关羽路59号
2021-04-23
授权
状态信息
授权
2018-03-20
实质审查的生效
状态信息
实质审查的生效;IPC(主分类):H03K17/723;申请日:20170809
2018-02-23
公布
状态信息
公布
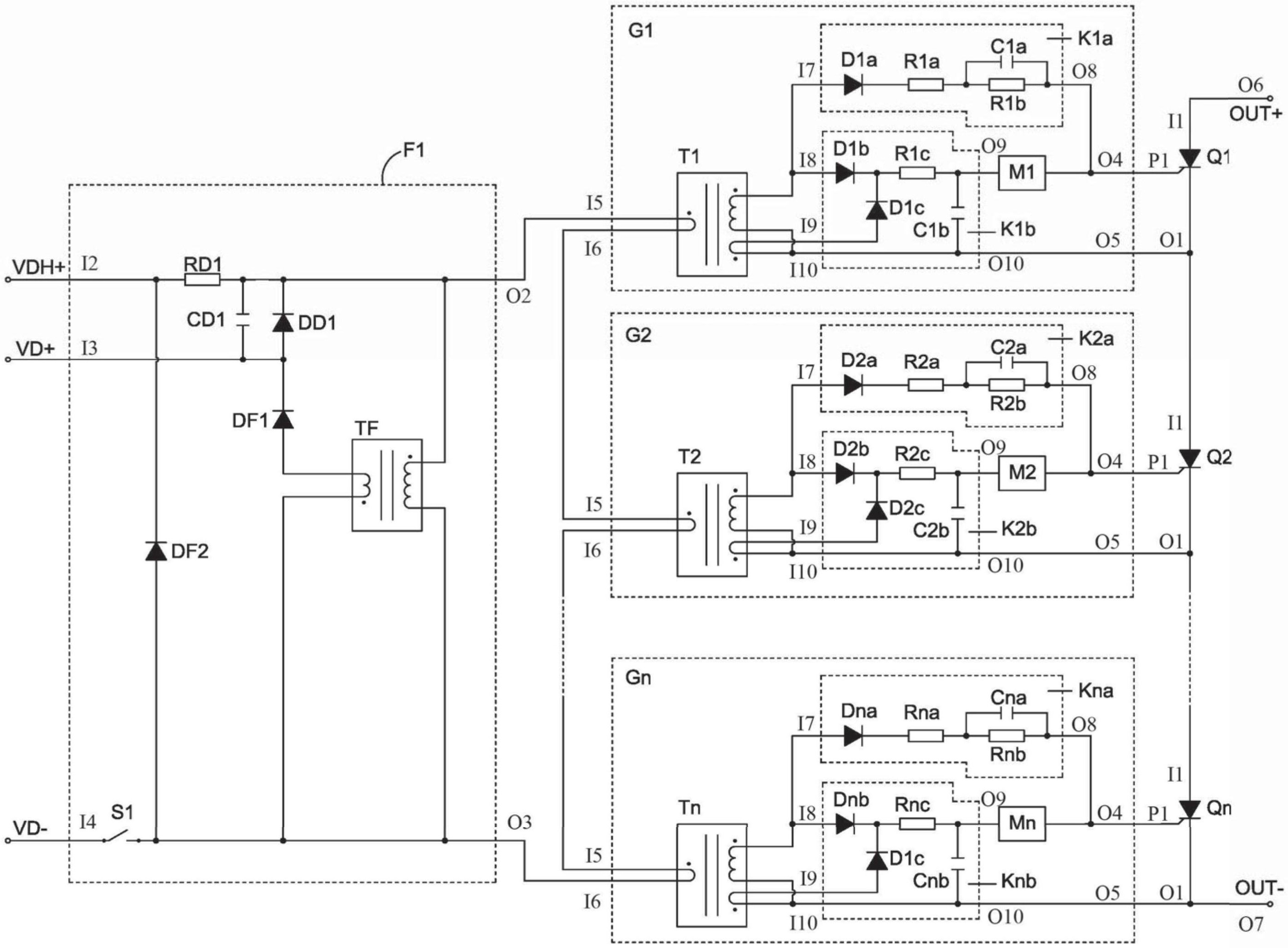
摘要
本发明涉及控制电路技术领域,具体的是涉及一种串联可控硅驱动电路,其中,包括:三个输入口,与其中一输入口串联的切换开关,连接在剩余两个输入口之间的积分器,输出口并联一变压器,变压器并联一磁环,磁环的串联一RC低通滤波器与可控硅的第二口相连,积分器的第五口串联一稳流控制器同可控硅的第二口相连;积分器的第四口与可控硅的第一口相连;前者驱动电路的磁环的第二口连接后者驱动电路的磁环的第一口;第一驱动电路的磁环的第一口与积分电路的第四口相连,最后一个驱动电路的磁环第二口同变压器的第三口相连。本技术方案提供的电路具有高同步的触发信号、输出的电流初始幅度高以及稳定的持续电流等有益效果。


