授权公布号:CN205195557U
一种电源转换电路
有效
申请
2015-10-27
申请公布
1970-01-01
授权
2016-04-27
预估到期
2025-10-27
| 申请号 | CN201520840569.9 |
| 申请日 | 2015-10-27 |
| 授权公布号 | CN205195557U |
| 授权公告日 | 2016-04-27 |
| 分类号 | H02M3/00;H02M1/14;H02M3/06 |
| 分类 | 发电、变电或配电; |
| 申请人名称 | 湖北追日电气股份有限公司 |
| 申请人地址 | 湖北省襄阳市高新技术开发区团山镇关羽路59号 |
专利法律状态
2023-05-26
专利权人的姓名或者名称、地址的变更
状态信息
专利权人的姓名或者名称、地址的变更;IPC(主分类):H02M3/00;变更事项:专利权人;变更前:湖北追日新能源技术有限公司;变更后:博格华纳新能源(襄阳)有限公司;变更事项:地址;变更前:441000 湖北省襄阳市高新技术开发区团山镇关羽路59号;变更后:441000 湖北省襄阳市高新技术开发区团山镇关羽路59号
2022-12-02
专利申请权、专利权的转移
状态信息
专利权的转移;IPC(主分类):H02M3/00;登记生效日:20221118;变更事项:专利权人;变更前:湖北追日电气股份有限公司;变更后:湖北追日新能源技术有限公司;变更事项:地址;变更前:441104 湖北省襄樊市襄阳市高新技术产业开发区追日路1号;变更后:441000 湖北省襄阳市高新技术开发区团山镇关羽路59号
2016-04-27
授权
状态信息
授权
摘要
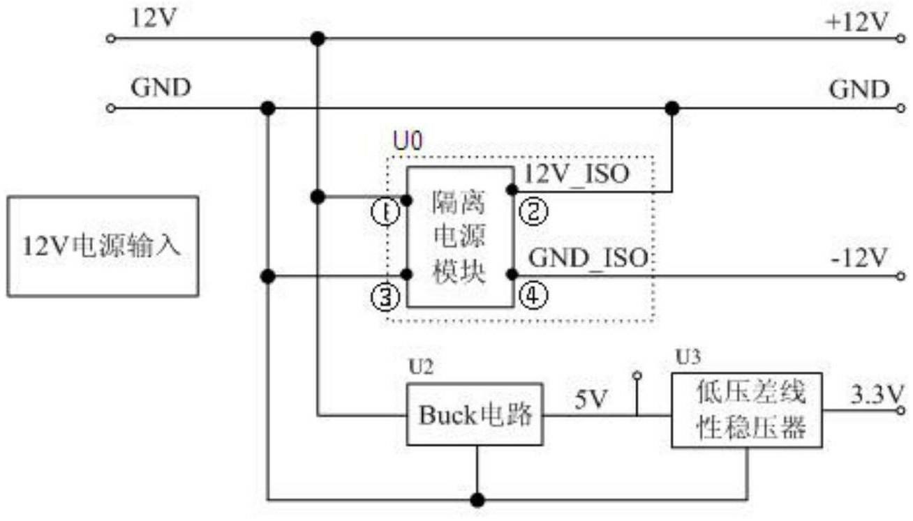
本实用新型涉及电力电子技术领域,尤其涉及一种电源转换电路,提供一电源转换电路,通过构建一包括第一电位线、第二电位线、隔离电源模块、Buck电路和低压差线性稳压器的电源转换电路,分别于第一电位线输入12V的电压,于第二电位线输入0V的电压,通过隔离电源模块输出一第一电压,通过Buck电路输出一第二电压,通过低压差线性稳压器输出一第三电压,本技术方案接收所述第一电位线与所述第二电位线之间的电压,该电压可直接输出,同时,通过隔离电源模块输出一第一电压,通过一Buck电路输出一第二电压,通过一低压差线性稳压器串联于Buck电路输出一第三电压,有效实现了多电压的稳定输出。


